Для студентов МГТУ им. Н.Э.Баумана по предмету Сопротивление материаловЗадача 2.2Задача 2.2
5,00551
2022-06-142024-11-23СтудИзба
Задача 2.2 вариант 19
-40%
Описание


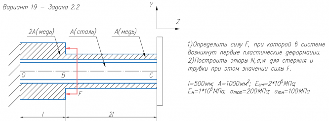
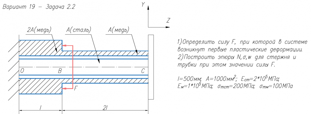
1)Определить силу F, при которой в системе возникнут первые пластические деформации. 2)Построить эпюры N,σ,w для стержня и трубки при этом значении силы F. l=500мм; A=1000мм2/; E/ст=2*105/МПа; E/м=1*105/МПа; σ/тст=200МПа; σ/тм=100МПа .
Характеристики решённой задачи
Предмет
Учебное заведение
Семестр
Номер задания
Вариант
Программы
Теги
Просмотров
119
Качество
Идеальное компьютерное
Размер
90,43 Kb
Список файлов
Вариант 19 - Задача 2.2.pdf

Вам все понравилось? Получите кэшбэк - 40 рублей на Ваш счёт при покупке. Поставьте оценку и напишите положительный комментарий к купленному файлу. После Вы получите деньги на ваш счет.
Комментарии

хорошо