Для студентов МГТУ им. Н.Э.Баумана по предмету Сопротивление материаловЗадача 3Задача 3
5,0053
2022-06-142024-11-23СтудИзба
Задача 3 вариант 20
-40%
Описание


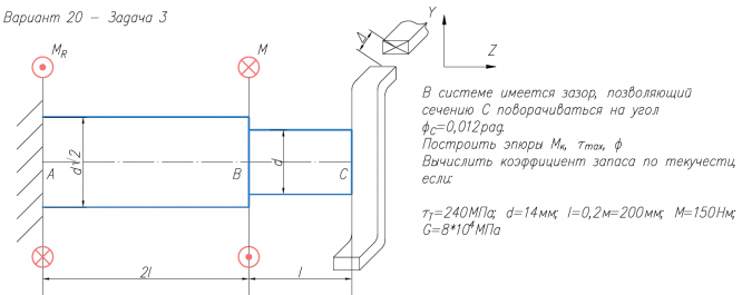
В системе имеется зазор, позволяющий сечению С поворачиваться на угол φ/С=0,012рад. Построить эпюры М/к, τ/max, φ Вычислить коэффициент запаса по текучести, если: τ/Т=240МПа; d=14мм; l=0,2м=200мм; М=150Нм; G=8*104/МПа .
Характеристики решённой задачи
Предмет
Учебное заведение
Семестр
Номер задания
Вариант
Программы
Теги
Просмотров
66
Качество
Идеальное компьютерное
Размер
203,75 Kb
Список файлов
Вариант 20 - Задача 3.pdf

Вам все понравилось? Получите кэшбэк - 40 рублей на Ваш счёт при покупке. Поставьте оценку и напишите положительный комментарий к купленному файлу. После Вы получите деньги на ваш счет.