Для студентов МГТУ им. Н.Э.Баумана по предмету Сопротивление материаловЗадача 5.1Задача 5.1
5,00510
2022-03-052025-09-05СтудИзба
Задача 5.1 вариант 12
-76%
Описание
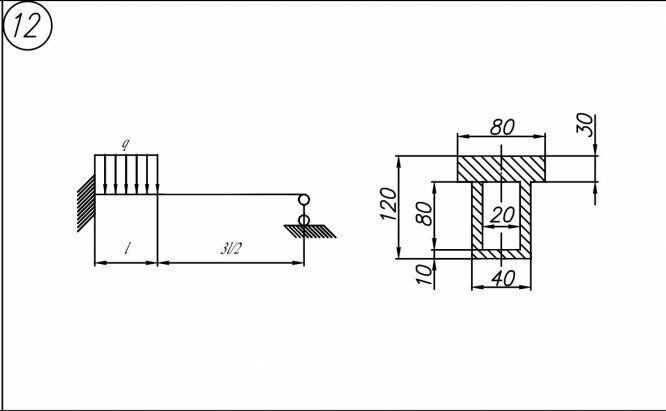
2022г Вариант 12 - ДЗ №1 - Статически неопределимые задачи изгиба - Задача 1
а) Раскрыть статическую неопределимость и построить эпюры Qy и Mx
б) Определить допускаемую нагрузку
в) Примерный вид упругой линии балки
![]()
Зачтено на максимальный балл
Произвести расчет балки при упругих деформацияха) Раскрыть статическую неопределимость и построить эпюры Qy и Mx
б) Определить допускаемую нагрузку
в) Примерный вид упругой линии балки



Файлы условия, демо
Характеристики решённой задачи
Предмет
Учебное заведение
Семестр
Номер задания
Вариант
Теги
Просмотров
185
Качество
Идеальное компьютерное
Размер
122,28 Kb
Список файлов
Задача 1 - Вариант 12.docx

Друзья, спасибо за доверие! Если вам понравилась работа – поставьте 5⭐ и напишите отзыв. Это поможет другим студентам, а мне даст силы делать ещё больше качественных материалов для вас 🔥