Для студентов МГТУ им. Н.Э.Баумана по предмету Сопротивление материаловЗадача 4.2Задача 4.2
4,97514366
2021-12-172024-09-04СтудИзба
Вариант 15 - Косой изгиб - Задача 4.2
Задача 4.2 вариант 15
-22%
Описание
Типовой расчет по сопротивлению материалов №3 "Статически определимые балки", задача № 4.2, зачтено
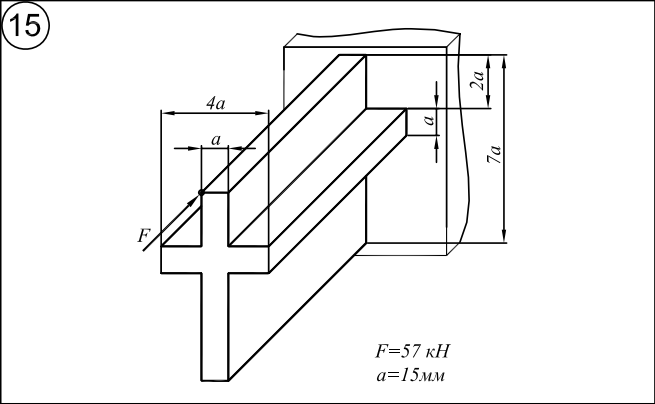
Условие:
Решение:
Показать/скрыть дополнительное описание
Условие:


Показать/скрыть дополнительное описание
Типовой расчет по сопротивлению материалов МГТУ 3 семестр домашнее задание кручение сжатие растяжение.
Характеристики решённой задачи
Предмет
Учебное заведение
Семестр
Номер задания
Вариант
Теги
Просмотров
33
Качество
Скан рукописных листов
Размер
1,76 Mb
Список файлов
Вариант 15 К Изгиб 46.pdf

Спасибо за покупку! Я буду очень рад, если поставишь справедливую оценку купленному файлу :3 Ищи больше работ в моём профиле, там много нужного тебе!