Для студентов МГТУ им. Н.Э.Баумана по предмету Сопротивление материаловЗадача 5.1Задача 5.1
4,66513
2021-03-222025-02-11СтудИзба
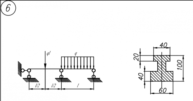
Задача 5.1 вариант 6
Описание
Характеристики решённой задачи
Предмет
Учебное заведение
Семестр
Номер задания
Вариант
Теги
Просмотров
195
Качество
Фото рукописных листов
Размер
1,47 Mb
Список файлов
сопр задача 1 вар 6.docx

Спасибо за покупку! Я буду очень рад, если поставишь справедливую оценку купленному файлу :3 Ищи больше работ в моём профиле, там много нужного тебе!