Для студентов МГТУ им. Н.Э.Баумана по предмету Сопротивление материаловЗадача 5.1Задача 5.1
4,775118
2021-02-282021-02-28СтудИзба
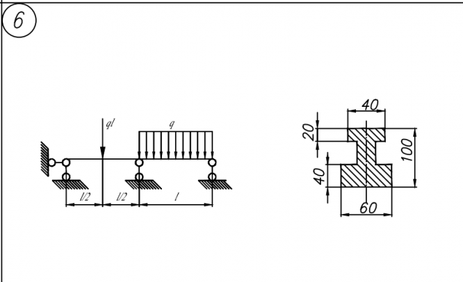
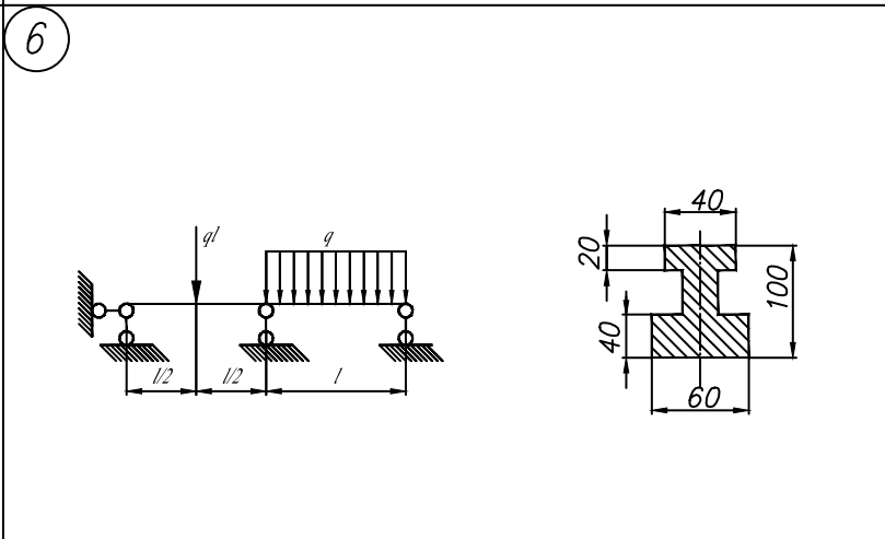
Задача 5.1 вариант 6
Описание
Характеристики решённой задачи
Предмет
Учебное заведение
Семестр
Номер задания
Вариант
Теги
Просмотров
33
Качество
Фото рукописных листов
Размер
2,24 Mb
Список файлов
var_6_zadacha_1.pdf
Комментарии
Нет комментариев
Стань первым, кто что-нибудь напишет!
МГТУ им. Н.Э.Баумана
sharazhnik

















