Для студентов МГТУ им. Н.Э.Баумана по предмету Сопротивление материаловЗадача 5.1Задача 5.1
4,79510
2013-10-032025-05-12СтудИзба
Задача 5.1 вариант 4
-30%
Описание


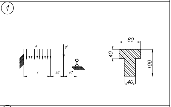
1)Произвести расчет балки при упругих деформациях: а)раскрыть статическую неопределимость и построить эпюры Q/y и M/x; б)определить допускаемую нагрузку; в)изобразить примерный вид упругой линии балки. 2)Произвести расчет балки при упруго-пластических деформациях: а)вычислить предельный момент для заданного сечения; б)найти предельную нагрузку для балки и коэффициент запаса; в)определить коэффициент запаса как отношение предельной нагрузки к допустимой нагрузке. Дано: материал балки идеально упруго-пластичный; σ/Т=320МПа; [n]=1,5; l=1м.
Характеристики решённой задачи
Предмет
Учебное заведение
Семестр
Номер задания
Вариант
Программы
Теги
Просмотров
2305
Качество
Идеальное компьютерное
Размер
375,8 Kb
Список файлов
Вариант 4 - Задача 5.1.pdf

Вам все понравилось? Получите кэшбэк - 40 рублей на Ваш счёт при покупке. Поставьте оценку и напишите положительный комментарий к купленному файлу. После Вы получите деньги на ваш счет.