Для студентов МГТУ им. Н.Э.Баумана по предмету Сопротивление материаловСтатически неопределимые задачи изгибаСтатически неопределимые задачи изгиба
4,92554
2015-11-072024-11-22СтудИзба
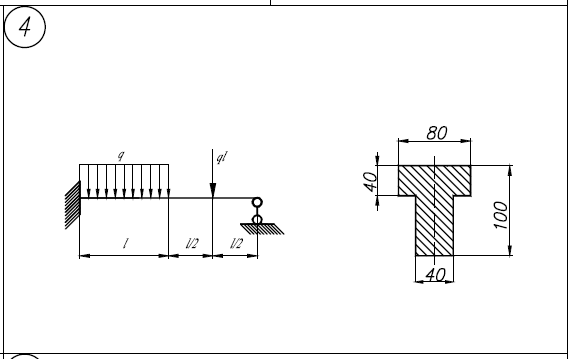
ДЗ 4: Статически неопределимые задачи изгиба вариант 4
-50%
Описание
Файлы условия, демо
Характеристики домашнего задания
Предмет
Учебное заведение
Семестр
Номер задания
Вариант
Просмотров
1917
Качество
Файлы различного качества
Размер
38,49 Mb
Список файлов
5.1.pdf
5.2.pdf
5.3.pdf
Задача 5.1.pdf
Задача 5.2.pdf
Задача 5.3.pdf
(5.1).pdf
(5.2).pdf

Вам все понравилось? Получите кэшбэк - 40 рублей на Ваш счёт при покупке. Поставьте оценку и напишите положительный комментарий к купленному файлу. После Вы получите деньги на ваш счет.