Для студентов МГТУ им. Н.Э.Баумана по предмету Сопротивление материаловЛабораторная работаЛабораторная работа
4,845152
2023-03-252023-03-25СтудИзба
Лабораторная работа 2: Лабораторная работа вариант 1
Описание
Лабораторные работы домашнего задания Варианта 1 для кафедры РК5. Преподаватель Ганыш С.М. В файле коды программ с пояснениями и отчеты.
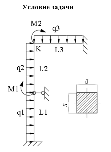
Условие: дана конструкция, необходимо построить эпюру изгибающих моментов
Цель: знакомство и работа с программой ANSYS
Содержание:
1.Условие задачи
2.Вывод эпюр
![]()
Условие: дана конструкция, необходимо построить эпюру изгибающих моментов
Цель: знакомство и работа с программой ANSYS
Содержание:
1.Условие задачи
2.Вывод эпюр

Характеристики лабораторной работы
Предмет
Учебное заведение
Семестр
Номер задания
Вариант
Просмотров
14
Качество
Идеальное компьютерное
Размер
239,28 Kb
Список файлов
LR2.txt
ЛР2.docx
МГТУ им. Н.Э.Баумана


















