Задачи 1,2,3 (МАМИ). Вариант 56789

ДЗ: Задачи 1,2,3 (МАМИ). Вариант 56789 вариант 56789

Описание

Полная версия методички с заданиями прикреплена 👇 ниже

Задача №1 Расчет статически определимой рамы
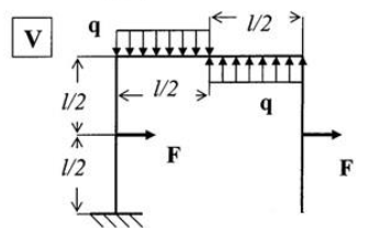
Для заданной статически определимой рамы (рис.1) выполненной из стали с модулем упругости Е = 2·105 МПа требуется:
1) Построить эпюры внутренних силовых факторов (изгибающих моментов Мх и поперечной силы Qy);
2) подобрать по ГОСТ стандартный двутавр, приняв [σ]=160 МПа.
Исходные данные взять из таблицы 1.
При расчетах принять F=α1ql; M=α2ql2
Исходные данные: схема–V; q=35кН/м; l=1,4 м; α1=1,5; α2=0,6; α3=0,6; α4=0,8.











Задача №2 Расчет статически неопределимой балки
Для заданной статически неопределимой балки (рис.2) выполненной из стали с модулем упругости Е = 2·105 МПа требуется:
1) Определить степень статической неопределимости;
2) Выбрать основную и эквивалентную системы;
3) записать канонические уравнения (выражающие условия, что суммарное перемещение от внешних сил и всех лишних неизвестных рано нулю);
4) Определить коэффициенты канонического уравнения и решить его.
5) построить окончательные эпюры изгибающих моментов Mx и поперечных сил Qy;
6) подобрать по ГОСТ стандартный двутавр, приняв [σ]=160 МПа.
Исходные данные взять из таблицы 1.
При расчетах принять F=α1ql; M=α2ql2, l1= α3l, l2= α4l
l13l=0,6·1,4=0,84 м.
l24l=0,8·1,4=1,12 м.
M=α2ql2=0,6·35·1,96=41,16 кНм.


Задача №3 Расчет пространственного ломанного бруса.
Ломаный брус (рис.3) с двумя взаимоперпендикулярными участками длиной a и с нагружен внешними силами, как показано на рисунке
Требуется:
1) Построить в аксонометрии эпюры изгибающих и крутящих моментов;
2) Используя гипотезу прочности максимальных касательных напряжений, подобрать размеры поперечных сечений бруса (участок длиной а имеет круглое поперечное сечение диаметра d, а участок длиной с - прямоугольное поперечное сечение с размерами сторон hxb (h = 2b))
Исходные данные взять из таблицы 2
При расчетах принять М=F1a, Т=F2c
Исходные данные: q=35кН/м; К1=0,8; К2=0,8; F1=1,4кН; F2=1,5кН; a=1,6м; c=1,7м.
Показать/скрыть дополнительное описание

Задачи 1,2,3 (МАМИ). Вариант 56789.

Файлы условия, демо

Характеристики домашнего задания

Учебное заведение
Семестр
Вариант
Программы
Просмотров
2
Качество
Идеальное компьютерное
Размер
92,62 Kb

Список файлов

Решение 56789.docx
Картинка-подпись
Доброго времени суток. Помогаю студентам начиная с 2002го года. Основное направление - технические дисциплины. Статус: “Зимняя сессия 2025-2026 почти позади. Готов к новым заказам”

Комментарии

Нет комментариев
Стань первым, кто что-нибудь напишет!
Поделитесь ссылкой:
Цена: 340 руб.
Расширенная гарантия +3 недели гарантии, +10% цены
Рейтинг автора
5 из 5
Поделитесь ссылкой:
Сопутствующие материалы

Подобрали для Вас услуги

-13%
Вы можете использовать домашнюю работу для примера, а также можете ссылаться на неё в своей работе. Авторство принадлежит автору работы, поэтому запрещено копировать текст из этой работы для любой публикации, в том числе в свою домашнюю работу в учебном заведении, без правильно оформленной ссылки. Читайте как правильно публиковать ссылки в своей работе.
Свежие статьи
Популярно сейчас
Почему делать на заказ в разы дороже, чем купить готовую учебную работу на СтудИзбе? Наши учебные работы продаются каждый год, тогда как большинство заказов выполняются с нуля. Найдите подходящий учебный материал на СтудИзбе!
Ответы на популярные вопросы
Да! Наши авторы собирают и выкладывают те работы, которые сдаются в Вашем учебном заведении ежегодно и уже проверены преподавателями.
Да! У нас любой человек может выложить любую учебную работу и зарабатывать на её продажах! Но каждый учебный материал публикуется только после тщательной проверки администрацией.
Вернём деньги! А если быть более точными, то автору даётся немного времени на исправление, а если не исправит или выйдет время, то вернём деньги в полном объёме!
Да! На равне с готовыми студенческими работами у нас продаются услуги. Цены на услуги видны сразу, то есть Вам нужно только указать параметры и сразу можно оплачивать.
Отзывы студентов
Ставлю 10/10
Все нравится, очень удобный сайт, помогает в учебе. Кроме этого, можно заработать самому, выставляя готовые учебные материалы на продажу здесь. Рейтинги и отзывы на преподавателей очень помогают сориентироваться в начале нового семестра. Спасибо за такую функцию. Ставлю максимальную оценку.
Лучшая платформа для успешной сдачи сессии
Познакомился со СтудИзбой благодаря своему другу, очень нравится интерфейс, количество доступных файлов, цена, в общем, все прекрасно. Даже сам продаю какие-то свои работы.
Студизба ван лав ❤
Очень офигенный сайт для студентов. Много полезных учебных материалов. Пользуюсь студизбой с октября 2021 года. Серьёзных нареканий нет. Хотелось бы, что бы ввели подписочную модель и сделали материалы дешевле 300 рублей в рамках подписки бесплатными.
Отличный сайт
Лично меня всё устраивает - и покупка, и продажа; и цены, и возможность предпросмотра куска файла, и обилие бесплатных файлов (в подборках по авторам, читай, ВУЗам и факультетам). Есть определённые баги, но всё решаемо, да и администраторы реагируют в течение суток.
Маленький отзыв о большом помощнике!
Студизба спасает в те моменты, когда сроки горят, а работ накопилось достаточно. Довольно удобный сайт с простой навигацией и огромным количеством материалов.
Студ. Изба как крупнейший сборник работ для студентов
Тут дофига бывает всего полезного. Печально, что бывают предметы по которым даже одного бесплатного решения нет, но это скорее вопрос к студентам. В остальном всё здорово.
Спасательный островок
Если уже не успеваешь разобраться или застрял на каком-то задание поможет тебе быстро и недорого решить твою проблему.
Всё и так отлично
Всё очень удобно. Особенно круто, что есть система бонусов и можно выводить остатки денег. Очень много качественных бесплатных файлов.
Отзыв о системе "Студизба"
Отличная платформа для распространения работ, востребованных студентами. Хорошо налаженная и качественная работа сайта, огромная база заданий и аудитория.
Отличный помощник
Отличный сайт с кучей полезных файлов, позволяющий найти много методичек / учебников / отзывов о вузах и преподователях.
Отлично помогает студентам в любой момент для решения трудных и незамедлительных задач
Хотелось бы больше конкретной информации о преподавателях. А так в принципе хороший сайт, всегда им пользуюсь и ни разу не было желания прекратить. Хороший сайт для помощи студентам, удобный и приятный интерфейс. Из недостатков можно выделить только отсутствия небольшого количества файлов.
Спасибо за шикарный сайт
Великолепный сайт на котором студент за не большие деньги может найти помощь с дз, проектами курсовыми, лабораторными, а также узнать отзывы на преподавателей и бесплатно скачать пособия.
Популярные преподаватели
Добавляйте материалы
и зарабатывайте!
Продажи идут автоматически
7157
Авторов
на СтудИзбе
252
Средний доход
с одного платного файла
Обучение Подробнее