Для студентов МАИ по предмету Сопротивление материаловПостроение эпюр внутренних силовых факторов при прямом поперечном изгибеПостроение эпюр внутренних силовых факторов при прямом поперечном изгибе
4,96530151
2025-05-262025-06-08СтудИзба
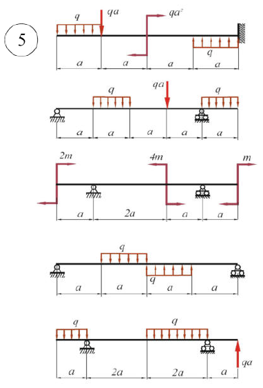
ДЗ 3.1: Построение эпюр внутренних силовых факторов при прямом поперечном изгибе вариант 5
-51%
Описание
Задача 3.1. Построение эпюр внутренних силовых факторов при прямом поперечном изгибе
- Для балок из заданного комплекта схем построить эпюры Qy и Мz
Характеристики домашнего задания
Предмет
Учебное заведение
Семестр
Номер задания
Вариант
Просмотров
18
Качество
Скан рукописных листов
Размер
7,86 Mb
Список файлов
Построение эпюр внутренних силовых факторов при прямом поперечном изгибе.pdf

Вам все понравилось? Получите кэшбэк - 40 рублей на Ваш счёт при покупке. Поставьте оценку и напишите положительный комментарий к купленному файлу. После Вы получите деньги на ваш счет.