Для студентов МАИ по предмету Сопротивление материаловРасчет стержневой системыРасчет стержневой системы
5,0051
2025-04-292025-06-29СтудИзба
ДЗ 1.2: Расчет стержневой системы вариант 5
-50%
Описание
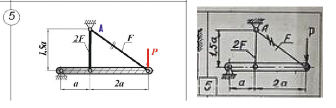
Задача 1.2. Расчет стержневой системы ![]()
а) Силовая задача- Произвести расчет статически стержневой системы от действия сил, вычислить усилия и напряжения в стержнях
- Произвести проектировочный расчет на прочность. Найденный параметр F округлить в большую сторону с точностью до 0,5 см2
- Вычислить перемещение точки приложения силы
Стержни отмеченные двумя черточками нагреты на Δt°(сила снята)
- Раскрыть статическую неопределимость
- Определить усилия и напряжения в стержнях системы, возникающие в процессе нагрева
- Вычислить перемещение точки приложения силы
- Вычислить действительные напряжения от нагрузки σрi, от нагрева σti в стержнях системы в размерности Н/мм2
- Найти суммарные напряжения от P и t - σр+ti
- Вычислить действительный запас прочности для бруса
P=4000 Н; q=50 Н/мм; Δt=20 °C; a=500 мм; σ0,2=240 Н/мм2; E=0,7*105 Н/мм2; α=1,7*10-5 1/град
Предельное и допустимое напряжения на сжатие взять на 30% меньше соответствующих напряжений на растяжение
Нормативный коэффициент запаса прочности взять из таблицы 1.
Таблица 1
Значение [n] | 1,3 | 1,4 | 1,5 | 1,6 | 1,7 | 1,8 |
Номера вариантов | 1; 7; 13; 19; 25; 31 | 2; 8; 14; 20; 26; 32 | 3; 9; 15; 21; 27 | 4; 10; 16; 22; 28 | 5; 11; 17; 23; 29 | 6; 12; 18; 24; 30 |
Характеристики домашнего задания
Предмет
Учебное заведение
Семестр
Номер задания
Вариант
Просмотров
25
Качество
Скан рукописных листов
Размер
1,11 Mb
Список файлов
Расчет стержневой системы.pdf
Расчет стержневой системы - 1.pdf

Вам все понравилось? Получите кэшбэк - 40 рублей на Ваш счёт при покупке. Поставьте оценку и напишите положительный комментарий к купленному файлу. После Вы получите деньги на ваш счет.