Для студентов МГТУ им. Н.Э.Баумана по предмету Сопротивление материаловСтатически неопределимые задачи изгибаСтатически неопределимые задачи изгиба
4,92522681
2025-05-202025-05-20СтудИзба
ДЗ 4: Статически неопределимые задачи изгиба вариант 29
-50%
Описание
Нужна только одна задача из всех? - Нажимай на ссылку
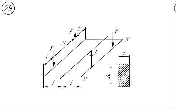
Задача 5.1 ![]()
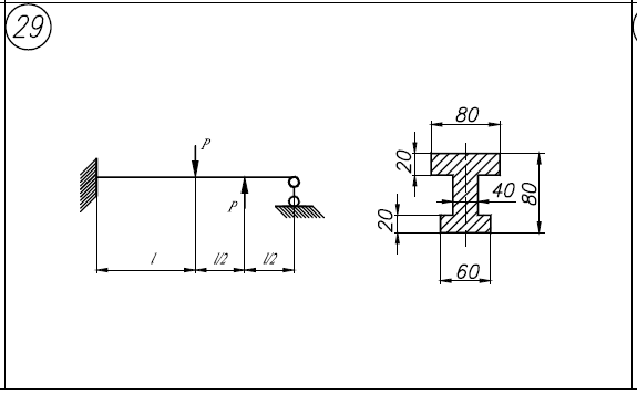
Задача 5.2 ![]()
Задача 5.3 ![]()
Показать/скрыть дополнительное описание.
Файлы условия, демо
Характеристики домашнего задания
Предмет
Учебное заведение
Семестр
Номер задания
Вариант
Просмотров
10
Качество
Файлы различного качества
Размер
2,75 Mb
Список файлов
5.1.pdf
5.2.pdf
5.3.pdf

Вам все понравилось? Получите кэшбэк - 40 рублей на Ваш счёт при покупке. Поставьте оценку и напишите положительный комментарий к купленному файлу. После Вы получите деньги на ваш счет.