Для студентов МГТУ им. Н.Э.Баумана по предмету Сопротивление материаловСтатически неопределимые задачи изгибаСтатически неопределимые задачи изгиба
4,97514495
2024-03-062025-02-11СтудИзба
Вариант 7 - ДЗ №1 - "Статически неопределимые задачи изгиба" - 2 задачи
ДЗ 4: Статически неопределимые задачи изгиба вариант 7
-25%
Описание
Домашнее задание №1, 2 задачи, "Статически неопределимые задачи изгиба", зачтено
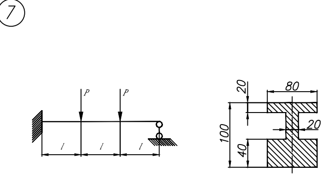
Задача 5.1:
Задача 5.2:
Показать/скрыть дополнительное описание
Задача 5.1:




Типовой расчет по сопротивлению материалов МГТУ 4 семестр домашнее задание.
Характеристики домашнего задания
Предмет
Учебное заведение
Семестр
Номер задания
Вариант
Просмотров
24
Качество
Фото рукописных листов
Размер
872,1 Kb
Список файлов
Доп.pdf
Вариант 7 Задача 5.2 226.pdf

Спасибо за покупку! Я буду очень рад, если поставишь справедливую оценку купленному файлу :3 Ищи больше работ в моём профиле, там много нужного тебе!