Для студентов МГТУ им. Н.Э.Баумана по предмету Сопротивление материаловСтатически неопределимые задачи изгибаСтатически неопределимые задачи изгиба
5,00511
2024-02-212025-02-11СтудИзба
Вариант 2 - ДЗ №1 - "Статически неопределимые задачи изгиба" - 2 задачи
ДЗ 4: Статически неопределимые задачи изгиба вариант 2
-25%
Описание
Домашнее задание №1, 2 задачи, "Статически неопределимые задачи изгиба", зачтено
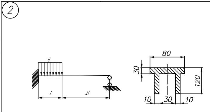
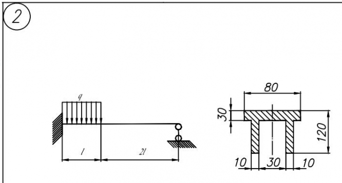
Задача 5.1:
Задача 5.2:
Показать/скрыть дополнительное описание
Задача 5.1:




Типовой расчет по сопротивлению материалов МГТУ 4 семестр домашнее задание.
Характеристики домашнего задания
Предмет
Учебное заведение
Семестр
Номер задания
Вариант
Просмотров
33
Качество
Фото рукописных листов
Размер
2,89 Mb
Список файлов
Вариант 2 - Задача 5.1 800.pdf
Вариант 2 - Задача 5.2 801.pdf

Спасибо за покупку! Я буду очень рад, если поставишь справедливую оценку купленному файлу :3 Ищи больше работ в моём профиле, там много нужного тебе!
Комментарии

Отзыв
Нет ни нахождения углового перемещения, ни проверки