ДЗ 2: Растяжение — сжатие, Кручение вариант 18
Описание
Нужна только одна задача из всех? - Нажимай на ссылку
![]() | ![]() | ![]() |
Образец ![]()
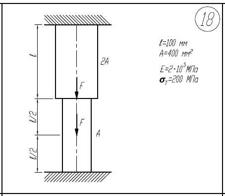
Показать/скрыть дополнительное описаниеАбсолютно жесткий брус удерживается на трех стальных стержнях. Верхний стержень нагревается на ΔT°. Определить допустимую степень нагрева из условия прочности конструкции. Найти потенциальную энергию. l=1м; A=200мм2/; α=12*10-6/1/град; E=2*105/МПа; σ/Т=300МПа; n/Т=1,5 1)Определить нагрузку, при которой в стержневой системе возникают первые пластические деформации. 2)Найти напряжения, возникающие в стержнях при найденной нагрузке. l=100мм; A=400мм2/; E=2*105/МПа; σ/Т=200МПа 1)При каком соотношении моментов M/1/M/2 угол поворота сечения В будет в 2 раза больше, чем сечения С? Постро 2)Построить эпюры М/к, τ/max, φ 3)Из расчета на прочность вычислить значения моментов M/1 и M/2, если: τ/Т=240МПа; d=0,02м=20мм; n/Т=2; l=0,08м=80мм; G=8*104/МПа .
Файлы условия, демо
Характеристики домашнего задания
Список файлов
