Для студентов МГТУ им. Н.Э.Баумана по предмету Сопротивление материаловЗадача 2.2Задача 2.2
5,0051
2023-08-092024-11-23СтудИзба
Задача 2.2 вариант 18
-40%
Описание


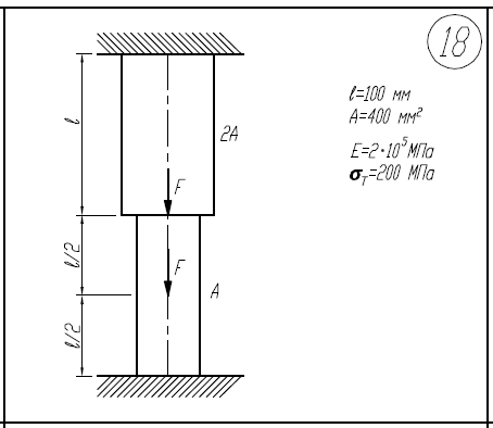
1)Определить нагрузку, при которой в стержневой системе возникают первые пластические деформации. 2)Найти напряжения, возникающие в стержнях при найденной нагрузке. l=100мм; A=400мм2/; E=2*105/МПа; σ/Т=200МПа.
Характеристики решённой задачи
Предмет
Учебное заведение
Семестр
Номер задания
Вариант
Программы
Теги
Просмотров
29
Качество
Идеальное компьютерное
Размер
60,28 Kb
Список файлов
Вариант 18 - Задача 2.2.pdf

Вам все понравилось? Получите кэшбэк - 40 рублей на Ваш счёт при покупке. Поставьте оценку и напишите положительный комментарий к купленному файлу. После Вы получите деньги на ваш счет.