Для студентов МГТУ им. Н.Э.Баумана по предмету Сопротивление материаловСтатически неопределимые задачи изгибаСтатически неопределимые задачи изгиба
5,00510
2023-03-152025-02-23СтудИзба
ДЗ 4: Статически неопределимые задачи изгиба вариант 19
-55%
Описание
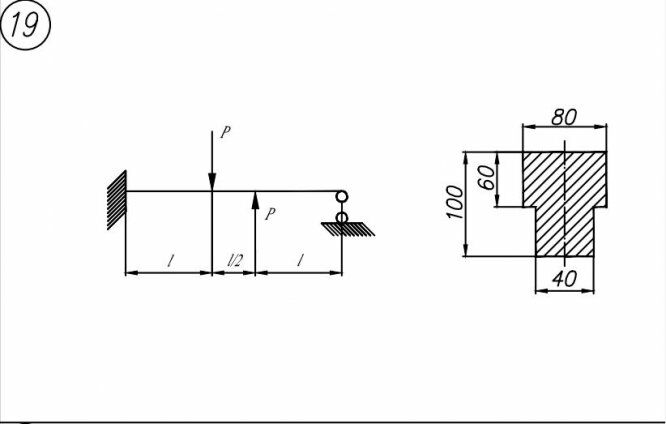
Вариант 19 - ДЗ №1 - Статически неопределимые задачи изгиба - Задача 1+2
Зачтено на максимальный балл 💥 💥 💥
Спасибо за покупку 🥰🥰
Задача 1Произвести расчет балки при упругих деформациях
а) Раскрыть статическую неопределимость и построить эпюры Qy и Mx
б) Определить допускаемую нагрузку
в) Примерный вид упругой линии балки



Характеристики домашнего задания
Предмет
Учебное заведение
Семестр
Номер задания
Вариант
Просмотров
228
Размер
7,15 Mb
Список файлов
Вариант 19 - ДЗ №1 - Статически неопределимые задачи изгиба - Задача 1+2..pdf

Друзья, спасибо за доверие! Если вам понравилась работа – поставьте 5⭐ и напишите отзыв. Это поможет другим студентам, а мне даст силы делать ещё больше качественных материалов для вас 🔥