Для студентов МГТУ им. Н.Э.Баумана по предмету Сопротивление материаловСтатически неопределимые задачи изгибаСтатически неопределимые задачи изгиба
5,00511
2023-03-032024-09-03СтудИзба
ДЗ 4: Статически неопределимые задачи изгиба вариант 15
-55%
Описание
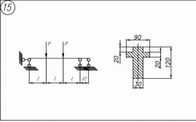
Вариант 15 - ДЗ №1 - Статически неопределимые задачи изгиба - Задача 1+2
Зачтено на максимальный балл 💥 💥 💥
Спасибо за покупку 🥰🥰🥰
Задача 1
Произвести расчет балки при упругих деформацияха) Раскрыть статическую неопределимость и построить эпюры Qy и Mx
б) Определить допускаемую нагрузку
в) Примерный вид упругой линии балки




Файлы условия, демо
Характеристики домашнего задания
Предмет
Учебное заведение
Семестр
Номер задания
Вариант
Просмотров
282
Размер
3,62 Mb
Список файлов
Задача 2 - 1.jpg
Задача 2 - 2.jpg
Вариант 15 - ДЗ №1 - Задача 1 + 2.pdf
Вариант 15 - ДЗ №1 - Задача 2.pdf

Друзья, спасибо за доверие! Если вам понравилась работа – поставьте 5⭐ и напишите отзыв. Это поможет другим студентам, а мне даст силы делать ещё больше качественных материалов для вас 🔥