Для студентов МГТУ им. Н.Э.Баумана по предмету Сопротивление материаловСтатически определимые балкиСтатически определимые балки
5,00521
2022-03-172024-09-03СтудИзба
ДЗ 3: Статически определимые балки вариант 17
-55%
Описание
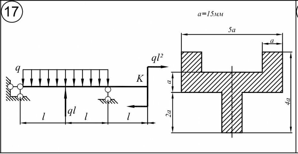
Вариант 17 - ДЗ №4 - Статически определимые балки - Задача 1 + Задача 2
Зачетно на максимальный балл
Задача 1:
Задача 2
![]()
Зачетно на максимальный балл
Задача 1:



Задача 2


Характеристики домашнего задания
Предмет
Учебное заведение
Семестр
Номер задания
Вариант
Теги
Просмотров
433
Размер
2,91 Mb
Список файлов
1.jpg
2.jpg
3.jpg
4.jpg
5.jpg
6.jpg
7.jpg
8.jpg
9.jpg
10.jpg
11.jpg

Друзья, спасибо за доверие! Если вам понравилась работа – поставьте 5⭐ и напишите отзыв. Это поможет другим студентам, а мне даст силы делать ещё больше качественных материалов для вас 🔥