Для студентов МГТУ им. Н.Э.Баумана по предмету Сопротивление материаловСтатически определимые балкиСтатически определимые балки
5,0051
2022-11-292024-12-08СтудИзба
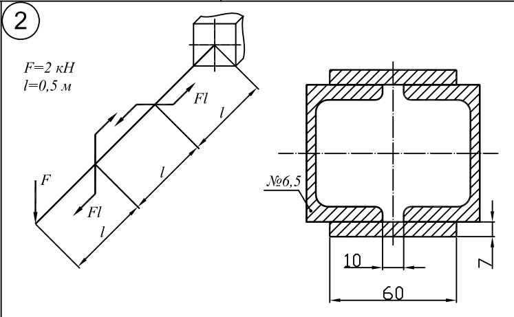
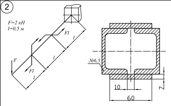
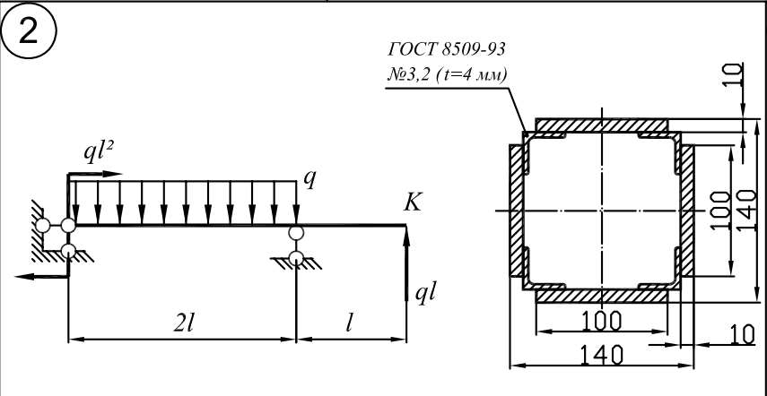
ДЗ 3: Статически определимые балки вариант 2
-55%
Описание
Характеристики домашнего задания
Предмет
Учебное заведение
Семестр
Номер задания
Вариант
Теги
Просмотров
357
Качество
Идеальное компьютерное
Размер
1,41 Mb
Список файлов
ДЗ № 3- Задачи 4-вариант 2.docx

Ваше удовлетворение является нашим приоритетом, если вы удовлетворены нами, пожалуйста, оставьте нам 5 ЗВЕЗД и позитивных комментариев. Спасибо большое!. Смотрите файлы в моем профиле, там есть много полезных !