Для студентов МГТУ им. Н.Э.Баумана по предмету Прикладная механикаСтатически неопределимые системыСтатически неопределимые системы
5,0052
2023-10-042023-10-04СтудИзба
ДЗ 1, 2: Статически неопределимые системы вариант 9
Описание
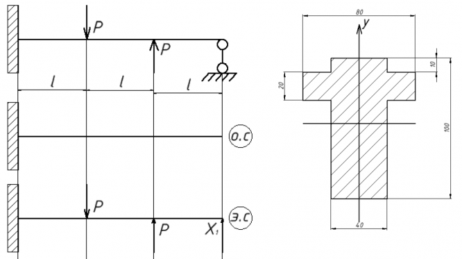
Задача №1
Дано: материал балки упруго – пластичный
σ t = 320 МПа; [n] =1,5; l=1.
Произвести расчет балки при упругих деформациях:
а) раскрыть статическую неопределимость и построить эпюры Qy и Mx;
б) определить допускаемую нагрузку;
в) изобразить примерный вид упругой линии балки.
Задача №2
1) раскрыть статическую неопределимость и построить эпюру Mизг;
2) Найти линейное перемещение в направлении А-А.
3) Проверить полученное решение.
Дано: материал балки упруго – пластичный
σ t = 320 МПа; [n] =1,5; l=1.
Произвести расчет балки при упругих деформациях:
а) раскрыть статическую неопределимость и построить эпюры Qy и Mx;
б) определить допускаемую нагрузку;
в) изобразить примерный вид упругой линии балки.

Задача №2
1) раскрыть статическую неопределимость и построить эпюру Mизг;
2) Найти линейное перемещение в направлении А-А.
3) Проверить полученное решение.

Характеристики домашнего задания
Предмет
Учебное заведение
Вариант
Программы
Просмотров
107
Качество
Идеальное компьютерное
Размер
747,16 Kb
Список файлов
ДЗ1_В9.pdf

Понравился файл? Поставь оценку и напиши отзыв, спасибо!