Для студентов МГТУ им. Н.Э.Баумана по предмету Сопротивление материаловРастяжение — сжатие, КручениеРастяжение — сжатие, Кручение
5,00521
2022-10-302024-12-02СтудИзба
ДЗ 2: Растяжение — сжатие, Кручение вариант 11
-55%
Описание
Зачтено на максимальный балл 🔥🔥🔥🔥😍😍
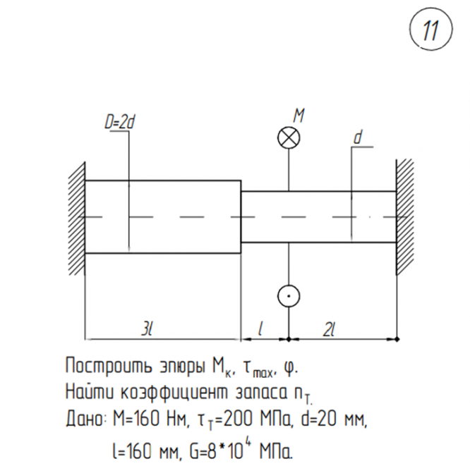
1)

2)Определить нагрузку, при которой в стержневой системе возникают первые пластические деформации
Найти напряжения, возникающие в стержнях при найденной нагрузке





Характеристики домашнего задания
Предмет
Учебное заведение
Семестр
Номер задания
Вариант
Программы
Теги
Просмотров
411
Качество
Идеальное компьютерное
Размер
356,19 Kb
Список файлов
Задача 2- вар11.docx
Задача2.2-вар11.docx
Задача3-вар11.docx

Ваше удовлетворение является нашим приоритетом, если вы удовлетворены нами, пожалуйста, оставьте нам 5 ЗВЕЗД и позитивных комментариев. Спасибо большое!. Смотрите файлы в моем профиле, там есть много полезных !