Для студентов МГТУ им. Н.Э.Баумана по предмету Сопротивление материаловРастяжение — сжатие, КручениеРастяжение — сжатие, Кручение
5,005262
2022-10-302024-12-02СтудИзба
ДЗ 2: Растяжение — сжатие, Кручение вариант 10
-55%
Описание
Зачтено на максимальный балл 🔥🔥🔥🔥😍😍
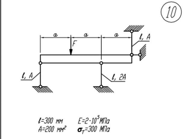
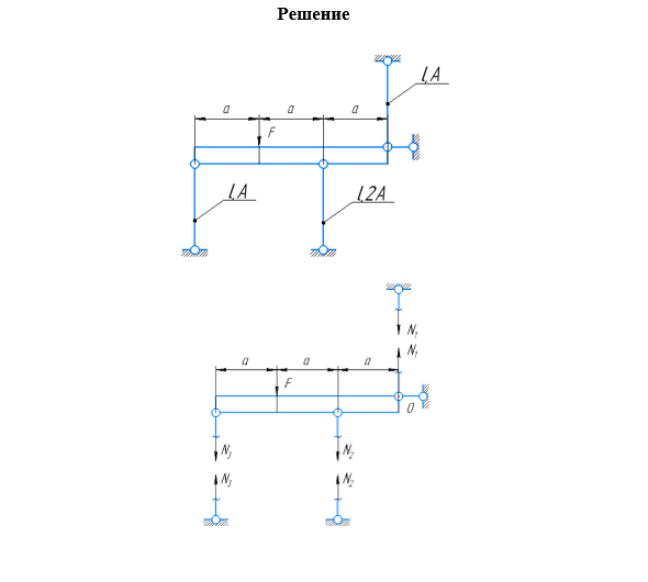
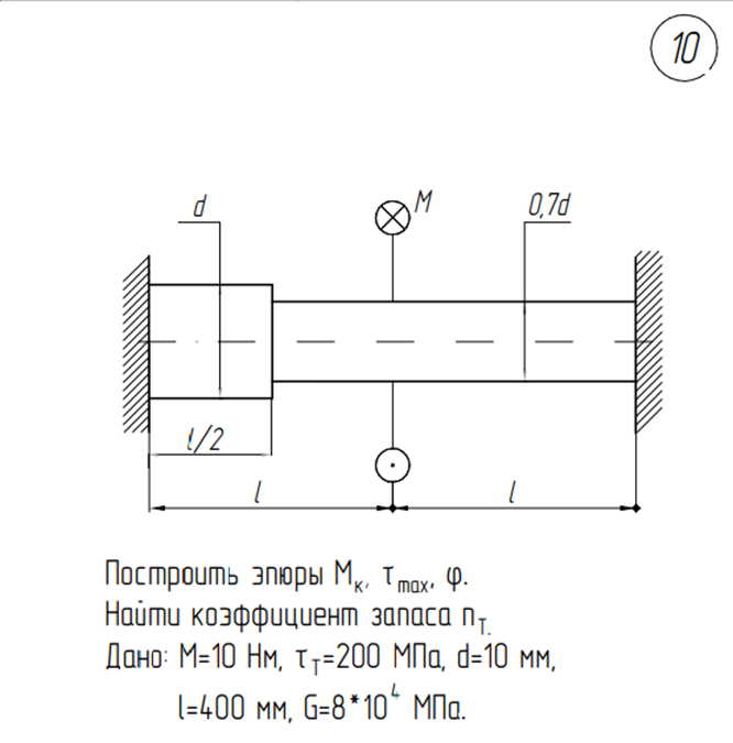
1)


2)Определить нагрузку, при которой в стержневой системе возникают первые пластические деформации
Найти напряжения, возникающие в стержнях при найденной нагрузке





Характеристики домашнего задания
Предмет
Учебное заведение
Семестр
Номер задания
Вариант
Программы
Теги
Просмотров
497
Качество
Идеальное компьютерное
Размер
359,03 Kb
Список файлов
Задача 2- вар10.docx
Задача2.2-вар10.docx
Задача3-вар10.docx

Ваше удовлетворение является нашим приоритетом, если вы удовлетворены нами, пожалуйста, оставьте нам 5 ЗВЕЗД и позитивных комментариев. Спасибо большое!. Смотрите файлы в моем профиле, там есть много полезных !
Комментарии

brilliantik.mary: Дз проверили, все верно
🤩Спасибо Вам за покупку

Отзыв
Дз проверили, все верно