Для студентов МГТУ им. Н.Э.Баумана по предмету Сопротивление материаловСтатически неопределимые задачи изгибаСтатически неопределимые задачи изгиба
5,0057
2022-04-132025-02-11СтудИзба
ДЗ 4: Статически неопределимые задачи изгиба вариант 1
-25%
Описание
Домашнее задание №1, задачи 1 и 2, "Статически неопределимые задачи изгиба", зачтено
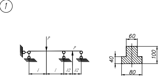
Задача 1
Задача 2
Задача 1




Характеристики домашнего задания
Предмет
Учебное заведение
Семестр
Номер задания
Вариант
Просмотров
138
Качество
Скан рукописных листов
Размер
3,46 Mb
Список файлов
Вариант 1 СОЗИ 1, 2 101.pdf

Спасибо за покупку! Я буду очень рад, если поставишь справедливую оценку купленному файлу :3 Ищи больше работ в моём профиле, там много нужного тебе!