Для студентов МГТУ им. Н.Э.Баумана по предмету Сопротивление материаловСтатически неопределимые задачи изгибаСтатически неопределимые задачи изгиба
5,0051
2022-02-232025-02-11СтудИзба
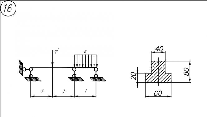
ДЗ 4: Статически неопределимые задачи изгиба вариант 16
-10%
Описание
Характеристики домашнего задания
Предмет
Учебное заведение
Семестр
Номер задания
Вариант
Просмотров
65
Размер
1019,08 Kb
Список файлов
Вариант 16 СОЗИ 1,2 115.pdf

Спасибо за покупку! Я буду очень рад, если поставишь справедливую оценку купленному файлу :3 Ищи больше работ в моём профиле, там много нужного тебе!