Для студентов МГТУ им. Н.Э.Баумана по предмету Сопротивление материаловСтатически определимые балкиСтатически определимые балки
5,00591
2021-11-302024-09-04СтудИзба
Вариант 6 - ДЗ №3 - "Статически определимые балки"
ДЗ 3: Статически определимые балки вариант 6
-25%
Описание
Полный типовой расчет по сопротивлению материалов №3 "Статически определимые балки", 2 задачи, зачтено
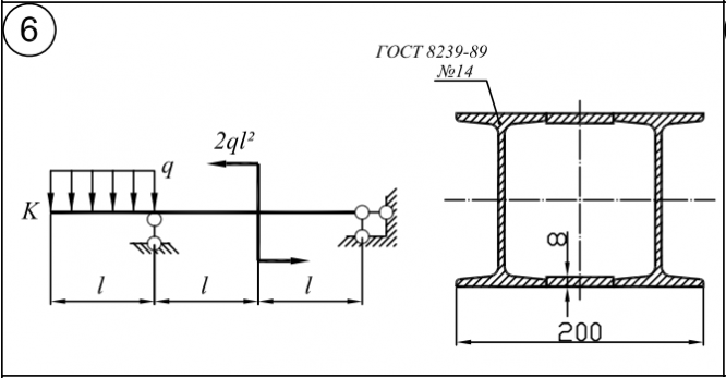
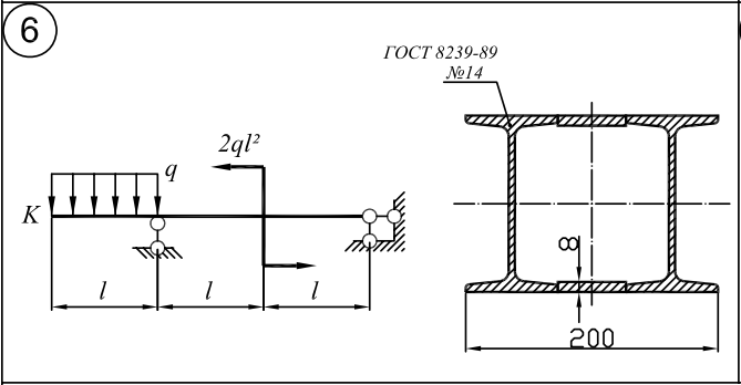
Задача 1: (первые 2 пункта)
Задача 2:
Показать/скрыть дополнительное описание
Задача 1: (первые 2 пункта)




Типовой расчет по сопротивлению материалов МГТУ 3 семестр домашнее задание кручение сжатие растяжение.
Характеристики домашнего задания
Предмет
Учебное заведение
Семестр
Номер задания
Вариант
Теги
Просмотров
179
Качество
Фото рукописных листов
Размер
2,03 Mb
Список файлов
Вариант 6 К Изгиб 23.pdf
Вариант 6 П Изгиб 22.pdf

Спасибо за покупку! Я буду очень рад, если поставишь справедливую оценку купленному файлу :3 Ищи больше работ в моём профиле, там много нужного тебе!
Комментарии

Здравствуйте! 3 пункт решен методом Крылова или методом Мора?