Для студентов МГТУ им. Н.Э.Баумана по предмету Сопротивление материаловРастяжение — сжатие, КручениеРастяжение — сжатие, Кручение
4,96530
2013-08-192025-10-20СтудИзба
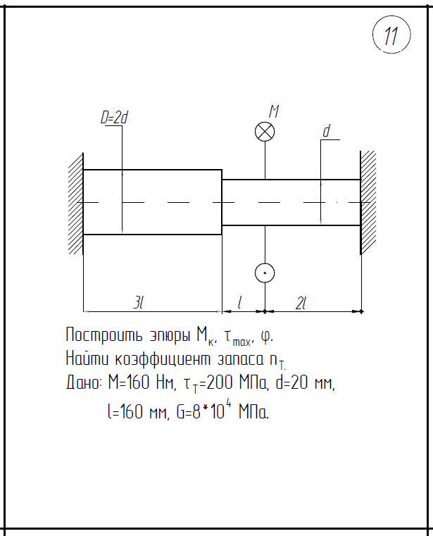
ДЗ 2: Растяжение — сжатие, Кручение вариант 11
-50%
Описание
Файлы условия, демо
Характеристики домашнего задания
Предмет
Учебное заведение
Семестр
Номер задания
Вариант
Теги
Просмотров
2429
Качество
Фото рукописных листов
Размер
10,92 Mb
Список файлов
Задача 2.1.pdf
Задача 2.2.pdf
Задача 3.pdf
Задача (3).pdf

Вам все понравилось? Получите кэшбэк - 40 рублей на Ваш счёт при покупке. Поставьте оценку и напишите положительный комментарий к купленному файлу. После Вы получите деньги на ваш счет.