Для студентов МГТУ им. Н.Э.Баумана по предмету Сопротивление материаловРастяжение — сжатие, КручениеРастяжение — сжатие, Кручение
5,0057
2013-08-192024-11-23СтудИзба
ДЗ 2: Растяжение — сжатие, Кручение вариант 10
-30%
Описание
Нужна только одна задача из всех? - Нажимай на ссылку
![]() | ![]() | ![]() |
Образец ![]()
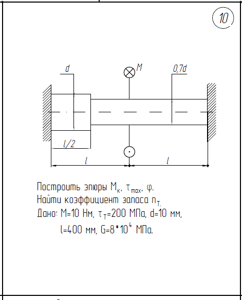
Показать/скрыть дополнительное описание1)Левый участок стержня длиной 2l нагревается на ΔT. Определить ΔT, при котором перемещение сечения m-m составит 0,25 мм. 2)Построить эпюры N,σ,w для найденного значения ΔT. l=100мм; E=2*105/МПа; A=100мм2/; α/ст=12*10-6/1/град 1)Определить нагрузку, при которой в стержневой системе возникают первые пластические деформации. 2)Найти напряжения, возникающие в стержнях при найденной нагрузке. l=300мм; E=2*105/МПа; A=200мм2/; σ/Т=300МПа 1)Построить эпюры М/к, τ/max, φ. 2)Найти коэффициент запаса n/Т. М=10Нм; τ/Т=200МПа; d=10мм; l=400мм; G=8*104/МПа.
Файлы условия, демо
Характеристики домашнего задания
Предмет
Учебное заведение
Семестр
Номер задания
Вариант
Программы
Теги
Просмотров
2509
Качество
Идеальное компьютерное
Размер
602,86 Kb
Список файлов
Вариант 10 - Задача 2.1.pdf
Вариант 10 - Задача 2.2.pdf
Вариант 10 - Задача 3.pdf
Вариант 10 - Растяжение-сжатие, Кручение.pdf

Вам все понравилось? Получите кэшбэк - 40 рублей на Ваш счёт при покупке. Поставьте оценку и напишите положительный комментарий к купленному файлу. После Вы получите деньги на ваш счет.