Для студентов МГТУ им. Н.Э.Баумана по предмету Сопротивление материаловМетод перемещенийМетод перемещений
5,00572
2021-05-072025-03-21СтудИзба
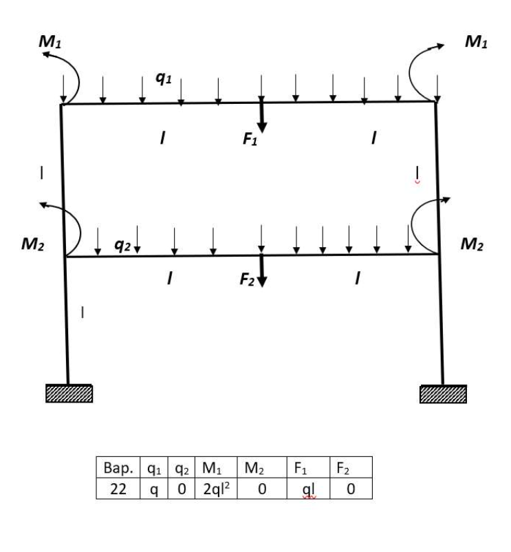
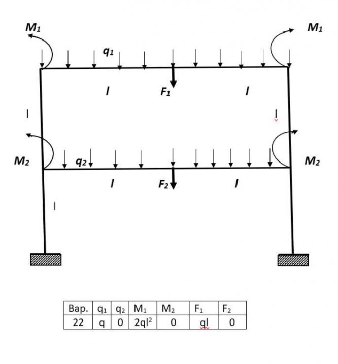
ДЗ 6: Метод перемещений вариант 22
Описание
Характеристики домашнего задания
Предмет
Учебное заведение
Семестр
Номер задания
Вариант
Теги
Просмотров
66
Размер
250,15 Kb
МГТУ им. Н.Э.Баумана



















