Для студентов МГТУ им. Н.Э.Баумана по предмету Сопротивление материаловСтатически определимые балкиСтатически определимые балки
5,0052
2021-04-182021-04-18СтудИзба
ДЗ 4: Статически определимые балки вариант 13
Описание
ДЗ по сопромату.
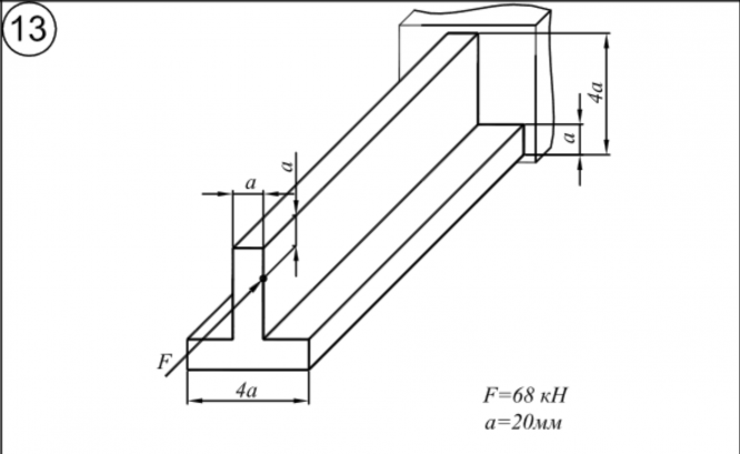
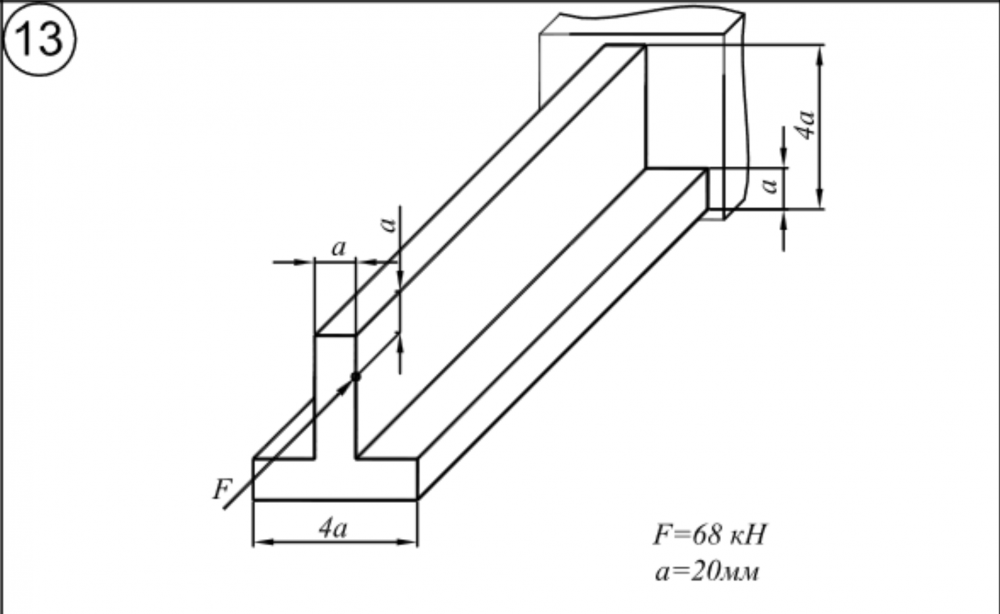
Первая задача:
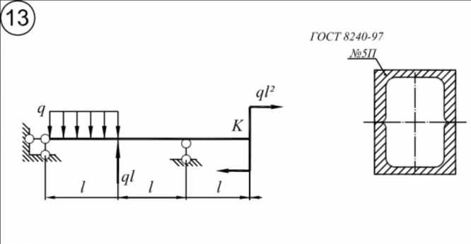
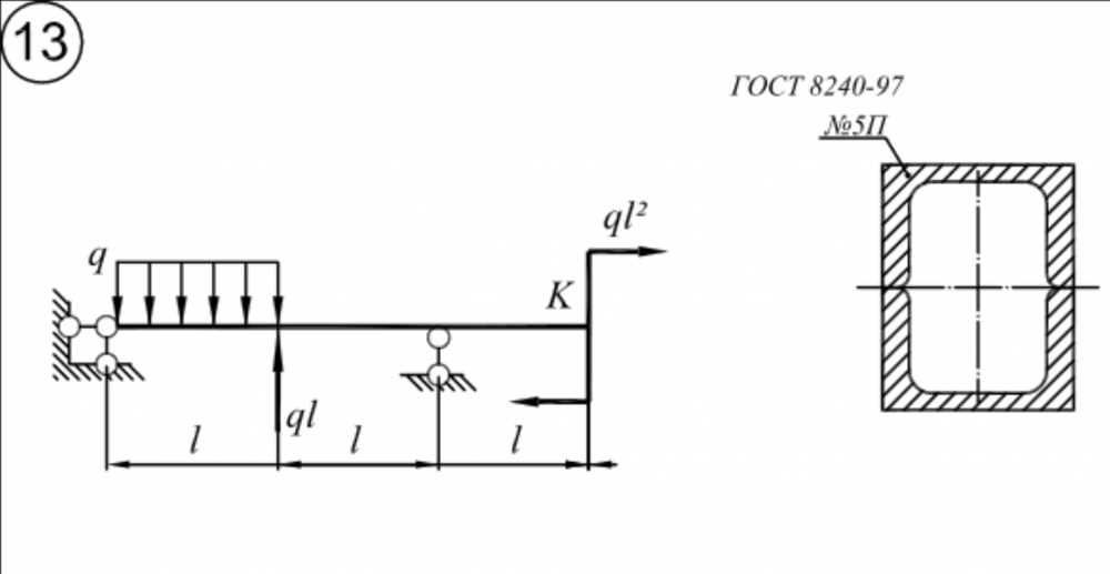
Вторая задача:
Условие подробнее: (Задание № 4 “Статически определимые балки” )
Первая задача:
Характеристики домашнего задания
Предмет
Учебное заведение
Семестр
Номер задания
Вариант
Теги
Просмотров
115
Размер
1,71 Mb
Список файлов
Э1-31-ДЗ3-КоленковАИ-Сопромат.pdf
Комментарии
Нет комментариев
Стань первым, кто что-нибудь напишет!
МГТУ им. Н.Э.Баумана


















