Для студентов МГТУ им. Н.Э.Баумана по предмету Сопротивление материаловСтатически неопределимые задачи изгибаСтатически неопределимые задачи изгиба
5,0053
2021-03-162021-03-16СтудИзба
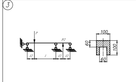
ДЗ 4: Статически неопределимые задачи изгиба вариант 3
Описание

Характеристики домашнего задания
Предмет
Учебное заведение
Семестр
Номер задания
Вариант
Просмотров
116
Размер
1,39 Mb
Список файлов
__ х1
1.jpg
2.jpg
3.jpg
4.jpg
МГТУ им. Н.Э.Баумана



















