Для студентов МГТУ им. Н.Э.Баумана по предмету Сопротивление материаловЗадача 5.1Задача 5.1
5,00522
2020-03-012020-03-01СтудИзба
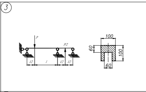
Задача 5.1 вариант 3
Бестселлер
Описание
1 часть 1 дз за 4 семестр без 2 пункта. Зачтено на высший балл
![]()

Характеристики решённой задачи
Предмет
Учебное заведение
Семестр
Номер задания
Вариант
Теги
Просмотров
437
Качество
Фото рукописных листов
Размер
1,81 Mb
Список файлов
1
2.jpg
bgbodPSZTH0.jpg
Комментарии
Нет комментариев
Стань первым, кто что-нибудь напишет!
МГТУ им. Н.Э.Баумана
nelesser


















