Для студентов МГТУ им. Н.Э.Баумана по предмету Сопротивление материаловСтатически определимые балкиСтатически определимые балки
5,00517
2021-02-072021-02-07СтудИзба
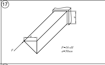
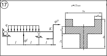
ДЗ 3: Статически определимые балки вариант 17
Описание

Характеристики домашнего задания
Предмет
Учебное заведение
Семестр
Номер задания
Вариант
Теги
Просмотров
64
Размер
1,02 Mb
Список файлов
Прямой и косой изгиб.pdf
Комментарии
Нет комментариев
Стань первым, кто что-нибудь напишет!
МГТУ им. Н.Э.Баумана


















