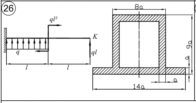
Для студентов МГТУ им. Н.Э.Баумана по предмету Сопротивление материаловСтатически определимые балкиСтатически определимые балки
4,92522701
2025-02-272025-02-27СтудИзба
ДЗ 3: Статически определимые балки вариант 26
-50%
Описание
Файлы условия, демо
Характеристики домашнего задания
Предмет
Учебное заведение
Семестр
Номер задания
Вариант
Теги
Просмотров
6
Качество
Фото рукописных листов
Размер
1,91 Mb
Список файлов
4.1.pdf
4.2.pdf

Вам все понравилось? Получите кэшбэк - 40 рублей на Ваш счёт при покупке. Поставьте оценку и напишите положительный комментарий к купленному файлу. После Вы получите деньги на ваш счет.