Для студентов МГТУ им. Н.Э.Баумана по предмету Сопротивление материаловСтатически определимые балкиСтатически определимые балки
4,50514
2020-12-242024-09-03СтудИзба
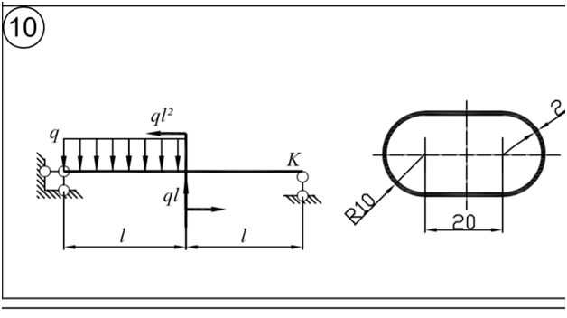
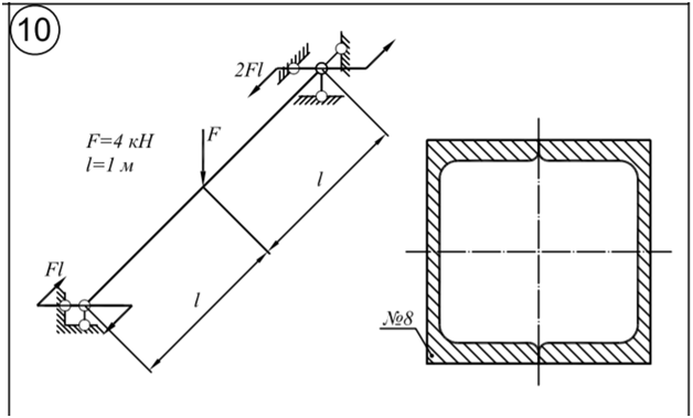
ДЗ 3: Статически определимые балки вариант 10
Описание


Характеристики домашнего задания
Предмет
Учебное заведение
Семестр
Номер задания
Вариант
Теги
Просмотров
187
Размер
912,73 Kb
Список файлов
Дз 4 сопромат.pdf