Для студентов МГТУ им. Н.Э.Баумана по предмету Сопротивление материаловСтатически определимые балкиСтатически определимые балки
5,0051
2020-12-222020-12-22СтудИзба
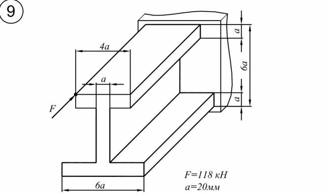
ДЗ 3: Статически определимые балки вариант 9
Описание
Характеристики домашнего задания
Предмет
Учебное заведение
Семестр
Номер задания
Вариант
Теги
Просмотров
79
Качество
Скан рукописных листов
Размер
2,54 Mb
Список файлов
Типовой расчет №3_задача №1,2.pdf
МГТУ им. Н.Э.Баумана
qwerrol



















