Для студентов МГТУ им. Н.Э.Баумана по предмету Сопротивление материаловСтатически определимые балкиСтатически определимые балки
5,0059
2020-12-112020-12-11СтудИзба
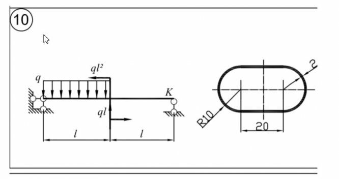
ДЗ 3: Статически определимые балки вариант 10
Описание
Характеристики домашнего задания
Предмет
Учебное заведение
Семестр
Номер задания
Вариант
Теги
Просмотров
191
Размер
7,83 Mb
Список файлов
1.docx
2.docx
МГТУ им. Н.Э.Баумана
Freebie_bauman


















