Для студентов МГТУ им. Н.Э.Баумана по предмету Сопротивление материаловРастяжение — сжатие, КручениеРастяжение — сжатие, Кручение
5,0051
2020-06-252024-09-04СтудИзба
Вариант 3 - Растяжение — сжатие, Кручение
ДЗ 2: Растяжение — сжатие, Кручение вариант 3
-25%
Описание
Полный типовой расчет по сопротивлению материалов №1 "Растяжение — сжатие, Кручение", 3 задачи, зачтено
Задача 1:
Задача 2:
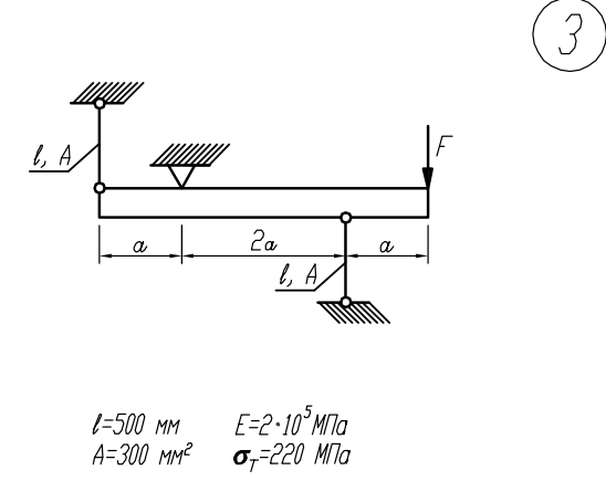
Задача 3:
Показать/скрыть дополнительное описание
Задача 1:






Типовой расчет по сопротивлению материалов МГТУ 3 семестр домашнее задание кручение сжатие растяжение.
Характеристики домашнего задания
Предмет
Учебное заведение
Семестр
Номер задания
Вариант
Теги
Просмотров
220
Качество
Фото рукописных листов
Размер
3,19 Mb
Список файлов
Вариант 3 Раст-Сжат 1 18.docx
Вариант 3 Раст-Сжат 2 20.docx
Вариант 3 Кручение 19.pdf

Спасибо за покупку! Я буду очень рад, если поставишь справедливую оценку купленному файлу :3 Ищи больше работ в моём профиле, там много нужного тебе!