Для студентов МГТУ им. Н.Э.Баумана по предмету Сопротивление материаловСтатически определимые балкиСтатически определимые балки
5,00513
2018-01-102024-11-13СтудИзба
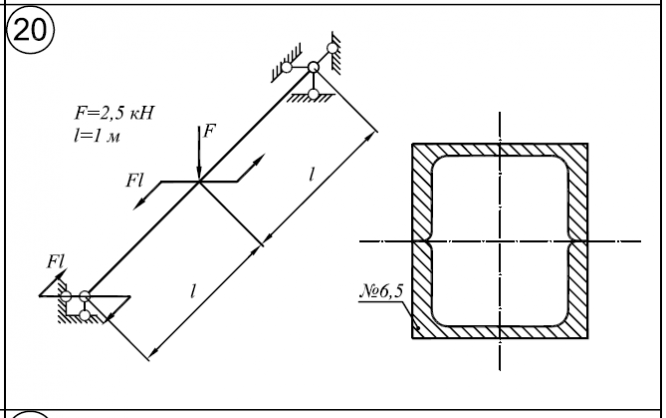
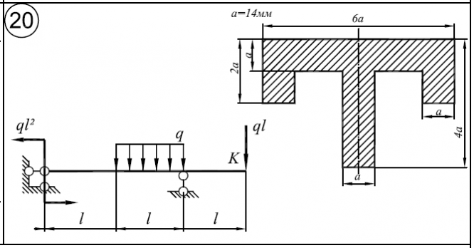
ДЗ 3: Статически определимые балки вариант 20
-50%
Описание
Нужна только одна задача из всех? - Нажимай на ссылку
Файлы условия, демо
Характеристики домашнего задания
Предмет
Учебное заведение
Семестр
Номер задания
Вариант
Теги
Просмотров
579
Качество
Скан рукописных листов
Размер
11,34 Mb
Список файлов
4.1.pdf
4.2.pdf

Вам все понравилось? Получите кэшбэк - 40 рублей на Ваш счёт при покупке. Поставьте оценку и напишите положительный комментарий к купленному файлу. После Вы получите деньги на ваш счет.