Для студентов МГТУ им. Н.Э.Баумана по предмету Сопротивление материаловСтатически определимые балкиСтатически определимые балки
5,00515
2016-03-202024-11-13СтудИзба
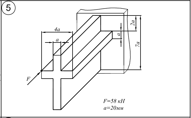
ДЗ 3: Статически определимые балки вариант 5
-50%
Описание
Нужна только одна задача из всех? - Нажимай на ссылку
Файлы условия, демо
Характеристики домашнего задания
Предмет
Учебное заведение
Семестр
Номер задания
Вариант
Теги
Просмотров
1403
Качество
Фото рукописных листов
Размер
9,42 Mb
Список файлов
4.1.pdf
4.2.pdf
(4.1).pdf
(4.2).pdf

Вам все понравилось? Получите кэшбэк - 40 рублей на Ваш счёт при покупке. Поставьте оценку и напишите положительный комментарий к купленному файлу. После Вы получите деньги на ваш счет.