Для студентов МГТУ им. Н.Э.Баумана по предмету Сопротивление материаловСтатически определимые балкиСтатически определимые балки
5,0057
2013-12-152024-11-15СтудИзба
ДЗ 3: Статически определимые балки вариант 5
-40%
Описание
Нужна только одна задача из всех? - Нажимай на ссылку
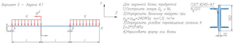
Задача 4.1 решена тремя способами:
- Метод Мора
- Способ Верещагина
- Метод начальных параметров
Образец ![]()
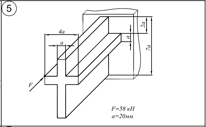
Показать/скрыть дополнительное описаниеДля заданной балки требуется: 1)Построить эпюры Q/y и M/x. 2)Определить величину нагрузки при σ/Тр=σ/Тсж=240МПа; n/Т=1,5; l=1м 3)Определить угловое перемещение сечения К E=2*105/МПа 4)Нарисовать форму оси балки Для заданной балки требуется: 1)Построить эпюру напряжений в поперечном сечении, изобразив сечение в масштабе 1:1 2)Определить коэффициент запаса по текучести (σ/Т=240МПа) .
Файлы условия, демо
Характеристики домашнего задания
Предмет
Учебное заведение
Семестр
Номер задания
Вариант
Программы
Теги
Просмотров
2388
Качество
Идеальное компьютерное
Размер
570,59 Kb
Список файлов
Вариант 5 - Задача 4.1.pdf
Вариант 5 - Задача 4.2.pdf
Вариант 5 - Статически определимые балки.pdf

Вам все понравилось? Получите кэшбэк - 40 рублей на Ваш счёт при покупке. Поставьте оценку и напишите положительный комментарий к купленному файлу. После Вы получите деньги на ваш счет.