Для студентов МГТУ им. Н.Э.Баумана по предмету Системы управления технологическим оборудованиемДомашнее заданиеДомашнее задание
5,00535
2020-11-172024-11-05СтудИзба
ДЗ: Домашнее задание вариант 13
Описание

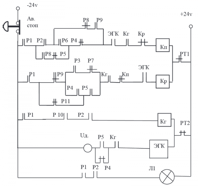
Краткое описание фрагмента электроавтоматики:
Объектом автоматизации является наклонный транспортер для подачи паллет с заготовками. Транспортер приводится в движение отдельным асинхронным двигателем М1. Для загрузки на транспортер паллет применяется специальный гидравлический толкатель, управляемый электрогидроклапаном (ЭГК), питающимся от гидростанции, насос которой приводится в действие асинхронным двигателем М2. Двигатель М1 включается магнитными пускателями Кп в прямом направлении и Кр при реверсе. Двигатель М2 включается магнитным пускателем Кг. Электродвигатели имеют два уровня защиты: тепловую защиту с помощью тепловых реле РТ1 и РТ2, динамическую защиту с помощью автоматического выключателя АВ1.


Характеристики домашнего задания
Учебное заведение
Семестр
Вариант
Просмотров
101
Размер
1,02 Mb
Список файлов
Домашнее задание (вариант №13).pdf

НОВИНКА: отчеты по практикам! Поиск - по названию предприятия в тэге. База учебных материалов МГТУ им. Н.Э. Баумана в формате pdf, оригиналы файлов отсутствуют (если иное не оговорено в описании). Вопросы задавайте ДО покупки в комментариях под файлами.
Комментарии

The lives of others: В описание файла добавлено больше информации.
Спасибо. К сожалению, не мой вариант

mne_nuzna_domashka: Сравнить исходные данные
В описание файла добавлено больше информации.

The lives of others: Здравствуйте! Что вы предлагаете?
Сравнить исходные данные

mne_nuzna_domashka: Здравствуйте! Можно ли как-то проверить файл на актуальность?
Здравствуйте! Что вы предлагаете?

Здравствуйте! Можно ли как-то проверить файл на актуальность?