Для студентов ИДДО НИУ «МЭИ» по предмету Системы пневмоавтоматикиСистемы пневмоавтоматики: Построение электропневматических систем без совпадающих шаговСистемы пневмоавтоматики: Построение электропневматических систем без совпадающих шагов
4,99522007
2025-03-282025-04-18СтудИзба
💼 База ответов к тесту КМ-4: Построение электропневматических систем без совпадающих шагов (Курс Системы пневмоавтоматики) 📊
Ответы к заданиям КМ-4: Системы пневмоавтоматики: Построение электропневматических систем без совпадающих шагов
Описание
Курс Системы пневмоавтоматики - КМ-4. Построение электропневматических систем без совпадающих шагов. Тестирование
🔴 Другие тесты | Отдельные ответы по предмету | Помощь со сдачей ⬅️
➡️Любой предмет | Любой тест | Любая практика | ВКР (Диплом)⬅️
🗝️ ▶Помощь с сессией/долгами под ключ ◀ 🗝️
🔴 Другие тесты | Отдельные ответы по предмету | Помощь со сдачей ⬅️

➡️Любой предмет | Любой тест | Любая практика | ВКР (Диплом)⬅️
🗝️ ▶Помощь с сессией/долгами под ключ ◀ 🗝️
Список вопросов
На принципиальной электрической схеме данный элемент используется для обозначения:

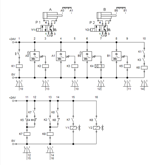
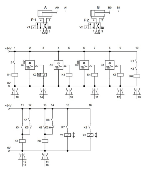
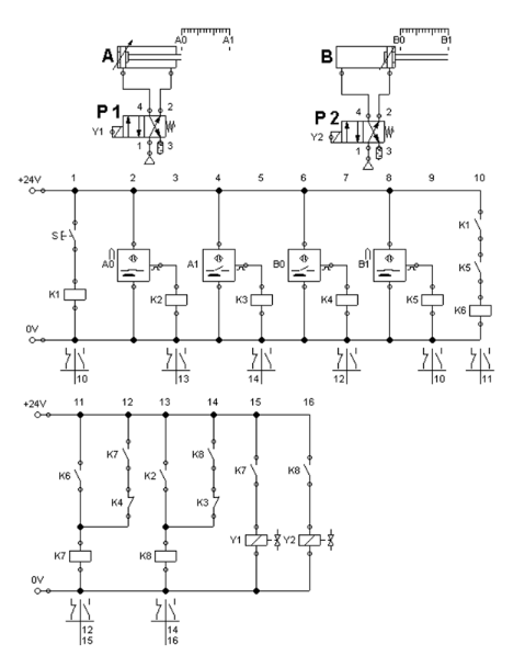
На рисунке представлена электропневматическая схема управления технологическим процессом. В какой последовательности двигаются штоки пневматических цилиндров?
![]()

Циклограмма - это диаграмма, показывающая последовательность выполнения операций в процессе. На рисунке представлена циклограмма технологического процесса, запуск которой осуществляется по нажатию кнопки S. Сверху представлена траектория движения штока пневматического цилиндра А, снизу В. Представленная циклограмма содержит 5 шагов, при этом условия пятого шага совпадают с условиями первого шага. В какой последовательности перемещаются двигатели?

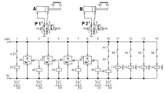
На рисунке представлена электропневматическая схема управления технологическим процессом. Представленные оптимизированные уравнения состояний описывают разные этапы технологического процесса. Расположите уравнения состояния в той последовательности, в которой двигаются штоки пневматических цилиндров.

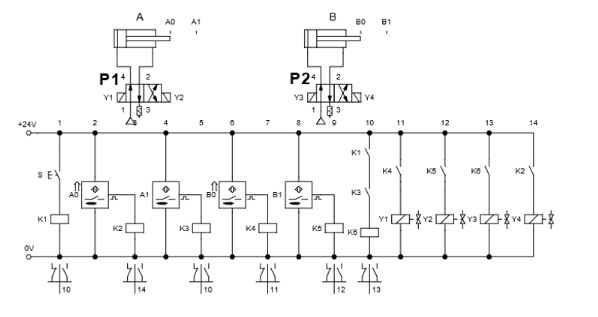
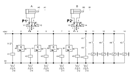
На рисунке представлена электропневматическая схема управления технологическим процессом. Подача сигнала на электромагниты У1 и УЗ осуществляют выдвижение штоков пневматических цилиндров А и В соответственно. Подача сигнала на электромагниты 12 и 14 осуществляют втягивание штоков пневматических цилиндров А и В соответственно. Соотнесите условия с действиями исполнительных механизмов А и В.
![]()

На рисунке представлена электропневматическая схема управления технологическим процессом. На разных этапах
технологического процесса выполняются следующие действия. В какой последовательности двигаются штоки пневматических
цилиндров? Укажите верную последовательность действий.
технологического процесса выполняются следующие действия. В какой последовательности двигаются штоки пневматических
цилиндров? Укажите верную последовательность действий.

Как выглядит электромагнит на электрической схеме?

Диаметр поршня D = 25 мм;
Диаметр штока d = 10 мм;
Ход штока 1 = 100 мм;
Рабочее давление Р = 15 бар;
Скорость хода v=1м/мин;
Чему равен расход рабочей жидкости в штоковой полости пневмоцилиндра (в л/мин)? (в поле ввода укажите значение с точность до 2-х знаков после запятой)
Диаметр штока d = 10 мм;
Ход штока 1 = 100 мм;
Рабочее давление Р = 15 бар;
Скорость хода v=1м/мин;
Чему равен расход рабочей жидкости в штоковой полости пневмоцилиндра (в л/мин)? (в поле ввода укажите значение с точность до 2-х знаков после запятой)
Бесконтактный датчик, предназначенный для контроля положения объектов из металла, называется
(в поле ввода впишите пропущенное словосочетание)
(в поле ввода впишите пропущенное словосочетание)
На рисунке представлена электропневматическая схема управления технологическим процессом. В какой последовательности двигаются штоки пневматических цилиндров?

... состоят из двух контактных пластинок в маленькой стеклянной трубке, заполненной инертным газом.
Как выглядит блок питания на электрической схеме?

Циклограмма - это диаграмма, показывающая последовательность выполнения операций в процессе. На рисунке представлена циклограмма технологического процесса, запуск которой осуществляется по нажатию кнопки S. Сверху представлена траектория движения штока пневматического цилиндра А, снизу В. Представленная циклограмма содержит 5 шагов, при этом условия пятого шага совпадают с условиями первого шага. В какой последовательности перемещаются двигатели?

На рисунке представлена электропневматическая схема управления технологическим процессом. В какой последовательности двигаются штоки пневматических цилиндров?
![]()

Как выглядит нормально открытый контакт на электрической схеме?
![]()

В какой последовательности необходимо выполнять действия для построения электропневматической системы управления?
Как выглядит реле на электрической схеме?

На принципиальной электрической схеме данный элемент используется для обозначения:

Диаметр поршня D=25 мм;
Диаметр штока d = 10 мм;
Ход штока L = 100 мм;
Рабочее давление Р = 15 бар;
Скорость хода =1м/мин;
Чему равен расход рабочей жидкости в поршневой полости пневмоцилиндра (в л/мин)? (в поле ввода укажите значение с точность до 2-х знаков после запятой)
Диаметр штока d = 10 мм;
Ход штока L = 100 мм;
Рабочее давление Р = 15 бар;
Скорость хода =1м/мин;
Чему равен расход рабочей жидкости в поршневой полости пневмоцилиндра (в л/мин)? (в поле ввода укажите значение с точность до 2-х знаков после запятой)
Как выглядит нормально открытая кнопка без фиксации на электрической схеме?

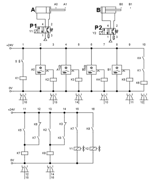
На рисунке представлена электропневматическая схема управления технологическим процессом. В какой последовательности
двигаются штоки пневматических цилиндров?
двигаются штоки пневматических цилиндров?

Как выглядит нормально закрытый контакт на электрической схеме?

Характеристики ответов (шпаргалок) к заданиям
Тип
Коллекция: Ответы (шпаргалки) к заданиям
Предмет
Учебное заведение
Номер задания
Теги
Просмотров
5
Качество
Идеальное компьютерное
Количество вопросов
Преподаватели

Гарантия сдачи без лишних хлопот! ✅🎓 Ответы на тесты по любым дисциплинам, базы вопросов, работы и услуги для Синергии, МЭИ и других вузов – всё уже готово! 🚀 🎯📚 Гарантия качества – или возврат денег! 💰✅