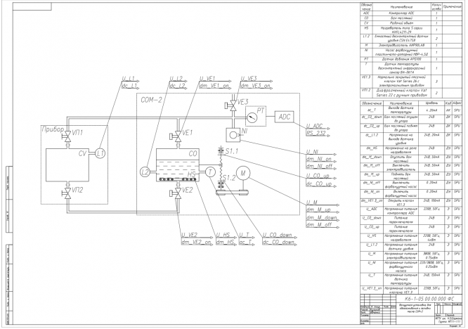
Для студентов МГТУ им. Н.Э.Баумана по предмету Системы автоматического управления (САУ) (МТ-11)Вакуумная система для обезгаживания и заливки масла СОМ-2Вакуумная система для обезгаживания и заливки масла СОМ-2
4,78522304
2017-12-222017-12-22СтудИзба
Курсовая работа: Вакуумная система для обезгаживания и заливки масла СОМ-2
Описание
Характеристики курсовой работы
Учебное заведение
Просмотров
132
Размер
2,04 Mb
Список файлов
Вакуумная система для обезгаживания и заливки масла СОМ-2
Лист1.pdf
Лист2.1.pdf
Лист2.pdf
Лист3.pdf
Лист4.pdf
Лист5.pdf
Презентация САУ.pdf
Прочти меня.txt
РПЗ САУ.pdf

Зарабатывай на студизбе! Просто выкладывай то, что так и так делаешь для своей учёбы: ДЗ, шпаргалки, решённые задачи и всё, что тебе пригодилось.
Начать зарабатывать
Начать зарабатывать