Курсовая работа: Установка JVD
Описание
РПЗ и Чертежи в PDF

ЗАДАНИЕ
на курсовой проект по курсу «Основы проектирования систем автоматического управления оборудования электронных технологий».
Тема проекта:Установка кластерно-ионной обработки поверхности
1. Проработать описание работы машины, выбрать и обосновать состав его основных целевых функций, сервисных функций, функций коррекции цели.
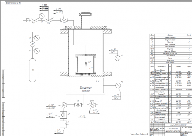
2. Разработать комплексную принципиальную схему, как совокупность системы целевых механизмов, системы их энергообеспечения и системы управления, связанных материальными, энергетическими и информационными потоками.
3. Описать механический, энергетический и информационный интерфейс компонентов машины. Дать техническое задание и техническое предложение на САУ и основные элементы машины.
4. Разработать принципиальную электрическую схему элемента САУ или САУ в целом.
Содержание графической части.
- Комплексная принципиальная схема исполнительных механизмов.......................1 л.
- Комплексная принципиальная схема системы энергообеспечения и управления.....................................................................................................................1 л.
- Процессная модель машины……………………………………………………………….1 л.
- Интерфейс оператора………………………………………………………………………1 л.
- Принципиальная электрическая схема........................................................................1 л.
Содержание расчетно-пояснительной записки.
- Введение. Описание целевого, механического и энергетического интерфейса спроектированной технологической машины.
- Описание процессной модели. Выбор и обоснование целевых, сервисных функций, и функций коррекции цели.
- Техническое задание и техническое предложение на систему управления машины по приведенной в Приложении 1 форме.
- Описание комплексной принципиальной схемы ФС. Обоснование структурно-компоновочного решения, выбор и согласование уровней потоков элементов.
- Документы, сопровождающие комплексную принципиальную схему:
- перечень элементов ПЭ;
- перечень потоков и сигналов ПС;
- технические задания на основные подсистемы и узлы машины ТЗ.
- Информационный поиск датчиков и исполнительных элементов машины и ее САУ, описание целевого, механического, энергетического и информационного интерфейса этих элементов ОЭ.
- Расчет и описание принципиальной электрической схемы.
- Заключение.
Характеристики курсовой работы
Список файлов

Начать зарабатывать