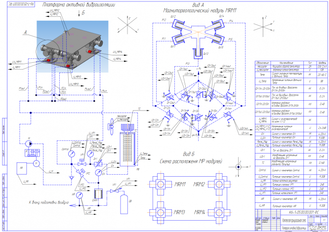
Для студентов МГТУ им. Н.Э.Баумана по предмету Системы автоматического управления (САУ) (МТ-11)Система автоматического управления платформой активной виброизоляцииСистема автоматического управления платформой активной виброизоляции
4,78522300
2017-12-222017-12-22СтудИзба
Курсовая работа: Система автоматического управления платформой активной виброизоляции
Описание
Характеристики курсовой работы
Учебное заведение
Просмотров
107
Размер
5,27 Mb
Список файлов
Система автоматического управления платформой активной виброизоляции
Лист_1.pdf
Лист_2.1.pdf
Лист_2.2.pdf
Лист_3.pdf
Лист_4.pdf
Лист_5.pdf
Пояснительная записка.pdf
Презентация.ppt
Прочти меня.txt

Зарабатывай на студизбе! Просто выкладывай то, что так и так делаешь для своей учёбы: ДЗ, шпаргалки, решённые задачи и всё, что тебе пригодилось.
Начать зарабатывать
Начать зарабатывать