Для студентов МГТУ им. Н.Э.Баумана по предмету Системы автоматического управления (САУ) (МТ-11)Установка пароструйного нанесения покрытийУстановка пароструйного нанесения покрытий
4,78523048
2017-12-22СтудИзба

Курсовая работа: Установка пароструйного нанесения покрытий

Описание

Курсовой проект по САУ, который был успешно сдан в 2013-м году

«Установка пароструйного нанесения покрытий»


Москва 2013 г.

Оглавление

Задание. 2

Реферат. 2

Введение. 2

1. Описание установки и ее интерфейсов. 2

2. Процессная модель. 2

2.1 Целевые функции. 2

2.2 Сервисные функции. 2

3. Описание комплексно-принципиальной схемы.. 2

3.1 Перечень сигналов системы управления. 2

3.2 Перечень сигналов системы управления. 2

4. Информационный поиск элементов САУ и исполнительных механизмов. 2

4.1.2 Универсальный модуль дискретного ввода-вывода ADAM-5050. 2

4.1.3 Модуль аналогового ввода ADAM-5050. 2

4.1.4Драйвер шагового двигателя ADR 810. 2

4.2.3 Клапаны VAT 26436-QA11. 2

4.2.4 Термопарный вакуумметр APG.. 2

4.3 Элементы пневматической системы.. 2

4.3.1 Компрессор Fiac LEONARDO.. 2

4.4 Источники питания. 2

4.4.1 Блок питания 24 ВMeanwellDR-75-24. 2

4.5 Силовое оборудование. 2

4.5.1 Рубильник ABBOT25F4N2. 2

4.5.2 Автоматический выключательABBS 203-D 20 NA.. 2

4.5.3Автоматический выключательABBS 203-C 6. 2

4.5.4Автоматический выключательABBS 201-D 8 NA.. 2

4.5.5 Автоматический выключатель ABB S 201-C 3 NA.. 2

4.5.6Реле ABBCR-P024DC2. 2

4.5.7 Клеммы Conta-ClipZSRK 2.5. 2

4.6Электродвигатели. 2

5. Описание принципиальной электрической схемы.. 2

Заключение. 2

Список использованной литературы.. 2





Задание




Реферат

Целью данного курсового проекта является овладение навыками, методами и средствами комплексных разработок механических и электронных компонентов оборудования САУ, а также правилами и методами составления технического задания на программное обеспечение САУ.

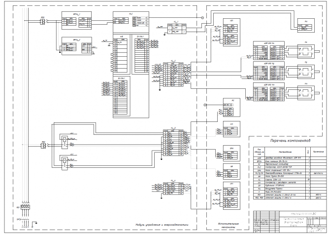
Курсовой проект содержит 4 графических листов, выполненных в пакете AutodeskAutoCAD 2013. Записка по проекту объёмом 28 страниц машинописного текста, выполнена в программе MicrosoftWord 2010. Отчёт содержит введение; шесть основных разделов, содержащих 18 рисунков, 2 таблицы; заключение и список использованных источников.

1-й лист (ПМ) содержит процессную модель работы САУ.

2-й и 3-й листы (ФС) содержат комбинированную функциональную схему установки с указанием всех энергетических и управляющих сигналов.

На 4-ом листе (ЭЗ) представлена принципиальная электрическая схема соединений САУ.



Ключевые слова:

УСТАНОВКА ПАРОСТРУЙНОГО НАНЕСЕНИЯ ПОКРЫТИЙ, СИСТЕМА АВТОМАТИЧЕСКОГО УПРАВЛЕНИЯ, КОНТРОЛЛЕР



Введение


Автоматизация производства – это процесс в развитии машинного производства, при котором функции управления и контроля, ранее выполнявшиеся человеком, передаются приборам и автоматическим устройствам. Автоматизация производства - это основа развития современной промышленности, генеральное направление технического прогресса. Его целью является повышение эффективности труда, улучшение качества выпускаемой продукции, создание условий для оптимального использования всех ресурсов производства. Без управляющей электроники уже не может обойтись ни одна отрасль промышленности, особенно электронное машиностроение, где необходимо управление множеством технологических параметров при высочайшей точности и жестких требованиях к соблюдению технологии.


Все больше технологических процессов в последнее время требуют для себя особую технологическую среду – вакуум. Обусловлено это возросшими требованиями к точности и прецизионности изделий, а также к чистоте получаемых поверхностей. Один из самых распространенных технологических процессов, производимых в вакууме – нанесение тонкопленочных покрытий.

Данный проект посвящен разработке системы автоматизированного управления установкой нанесения тонкопленочных покрытий пароструйным методом.


Характеристики курсовой работы

Список файлов

Установка пароструйного нанесения покрытий
list_1.jpg
list_2.jpg
list_3.jpg
list_4.jpg
Лист (1).pdf
Лист (2).pdf
Лист (3).pdf
Лист (4).pdf
Презентация.pptx
Прочти меня.txt
САУ.docx
Чертежи.dwg
Картинка-подпись
Зарабатывай на студизбе! Просто выкладывай то, что так и так делаешь для своей учёбы: ДЗ, шпаргалки, решённые задачи и всё, что тебе пригодилось.
Начать зарабатывать

Комментарии

Нет комментариев
Стань первым, кто что-нибудь напишет!
Поделитесь ссылкой:
Цена: 1 200 руб.
Расширенная гарантия +3 недели гарантии, +10% цены
Рейтинг автора
4,78 из 5
Поделитесь ссылкой:
Сопутствующие материалы

Подобрали для Вас услуги

Вы можете использовать курсовую работу для примера, а также можете ссылаться на неё в своей работе. Авторство принадлежит автору работы, поэтому запрещено копировать текст из этой работы для любой публикации, в том числе в свою курсовую работу в учебном заведении, без правильно оформленной ссылки. Читайте как правильно публиковать ссылки в своей работе.
Свежие статьи
Популярно сейчас
Зачем заказывать выполнение своего задания, если оно уже было выполнено много много раз? Его можно просто купить или даже скачать бесплатно на СтудИзбе. Найдите нужный учебный материал у нас!
Ответы на популярные вопросы
Да! Наши авторы собирают и выкладывают те работы, которые сдаются в Вашем учебном заведении ежегодно и уже проверены преподавателями.
Да! У нас любой человек может выложить любую учебную работу и зарабатывать на её продажах! Но каждый учебный материал публикуется только после тщательной проверки администрацией.
Вернём деньги! А если быть более точными, то автору даётся немного времени на исправление, а если не исправит или выйдет время, то вернём деньги в полном объёме!
Да! На равне с готовыми студенческими работами у нас продаются услуги. Цены на услуги видны сразу, то есть Вам нужно только указать параметры и сразу можно оплачивать.
Отзывы студентов
Ставлю 10/10
Все нравится, очень удобный сайт, помогает в учебе. Кроме этого, можно заработать самому, выставляя готовые учебные материалы на продажу здесь. Рейтинги и отзывы на преподавателей очень помогают сориентироваться в начале нового семестра. Спасибо за такую функцию. Ставлю максимальную оценку.
Лучшая платформа для успешной сдачи сессии
Познакомился со СтудИзбой благодаря своему другу, очень нравится интерфейс, количество доступных файлов, цена, в общем, все прекрасно. Даже сам продаю какие-то свои работы.
Студизба ван лав ❤
Очень офигенный сайт для студентов. Много полезных учебных материалов. Пользуюсь студизбой с октября 2021 года. Серьёзных нареканий нет. Хотелось бы, что бы ввели подписочную модель и сделали материалы дешевле 300 рублей в рамках подписки бесплатными.
Отличный сайт
Лично меня всё устраивает - и покупка, и продажа; и цены, и возможность предпросмотра куска файла, и обилие бесплатных файлов (в подборках по авторам, читай, ВУЗам и факультетам). Есть определённые баги, но всё решаемо, да и администраторы реагируют в течение суток.
Маленький отзыв о большом помощнике!
Студизба спасает в те моменты, когда сроки горят, а работ накопилось достаточно. Довольно удобный сайт с простой навигацией и огромным количеством материалов.
Студ. Изба как крупнейший сборник работ для студентов
Тут дофига бывает всего полезного. Печально, что бывают предметы по которым даже одного бесплатного решения нет, но это скорее вопрос к студентам. В остальном всё здорово.
Спасательный островок
Если уже не успеваешь разобраться или застрял на каком-то задание поможет тебе быстро и недорого решить твою проблему.
Всё и так отлично
Всё очень удобно. Особенно круто, что есть система бонусов и можно выводить остатки денег. Очень много качественных бесплатных файлов.
Отзыв о системе "Студизба"
Отличная платформа для распространения работ, востребованных студентами. Хорошо налаженная и качественная работа сайта, огромная база заданий и аудитория.
Отличный помощник
Отличный сайт с кучей полезных файлов, позволяющий найти много методичек / учебников / отзывов о вузах и преподователях.
Отлично помогает студентам в любой момент для решения трудных и незамедлительных задач
Хотелось бы больше конкретной информации о преподавателях. А так в принципе хороший сайт, всегда им пользуюсь и ни разу не было желания прекратить. Хороший сайт для помощи студентам, удобный и приятный интерфейс. Из недостатков можно выделить только отсутствия небольшого количества файлов.
Спасибо за шикарный сайт
Великолепный сайт на котором студент за не большие деньги может найти помощь с дз, проектами курсовыми, лабораторными, а также узнать отзывы на преподавателей и бесплатно скачать пособия.
Популярные преподаватели
Добавляйте материалы
и зарабатывайте!
Продажи идут автоматически
6951
Авторов
на СтудИзбе
265
Средний доход
с одного платного файла
Обучение Подробнее
{user_main_secret_data}