Для студентов МГТУ им. Н.Э.Баумана по предмету Системы автоматического управления (САУ) (МТ-11)Установка вакуумного прессования многослойных печатных плат (МПП)Установка вакуумного прессования многослойных печатных плат (МПП)
4,78522995
2017-12-22СтудИзба

Курсовая работа: Установка вакуумного прессования многослойных печатных плат (МПП)

Описание

Курсовой проект по САУ, который был успешно сдан в 2013-м году

«Разработка системы автоматического управления установки вакуумного прессования многослойных печатных плат»


Москва 2012 г.


Содержание

Реферат. 3

Введение. 4

Описание процессной модели. 5

Деление технологического процесса на подпроцессы.. 5

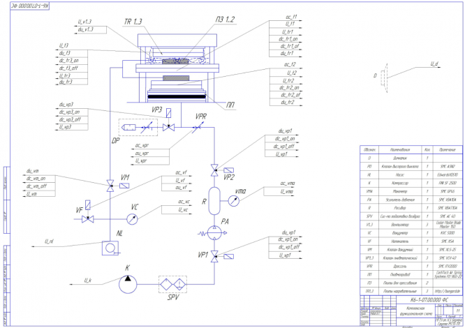
Описание комплексной принципиальной схемы.. 11

Описание процессоной модели. Выбор и обоснование целевых, сервисных функций и функции коррекции цели…………………………………………..12

Документы, сопровождающие комплексную принципиальную схему…….18

Информационный поиск датчиков и исполнительных элементов машины и ее САУ 21

Элементы САУ.. 21

Вакуумная система. 28

Система пневматическая 31

Подбор компрессора………………….…………………………………………37

Расчет потребителей. 38

Заключение. 40

Используемая литература. 41








Реферат

В ходе курсового проекта на тему «Разработка системы
автоматического управления установки вакуумного прессования многослойных печатных плат» была разработана система автоматического управления операцией прессования печатных плат.

Результаты работы зафиксированы и оформлены в виде расчетно-пояснительной записки. Записка по проекту объёмом 34 страницу машинописного текста, выполнен в программе Microsoft Word 2007. Отчёт содержит введение; восемь основных разделов, содержащих 21 рисунка, 7 таблиц; выводы, заключение и список использованных источников из восьми наименований.


Ключевые слова:


Многослойная ПЕЧАТНАЯ ПЛАТА (МПП), ПРЕССОВАНИЕ, АВТОМАТИЗАЦИЯ ПРЕССОВАНИЯ, ПНЕВМАТИЧЕСКИЙ ПРЕСС, ПРЕСС С ПНЕВМОПРИВОДОМ, ПРЕСС С ВАКУУМНОЙ ОТКАЧКОЙ, пРеПРЕГ.








Введение

Автоматизация производства является одним из основных факторов современной научно-технической революции, открывающей перед человечеством беспрецедентные возможности преобразования природы, создания огромных материальных богатств, умножения творческих способностей человека.

Производственное оборудование становится всё более автоматизированным во многих сферах его применения. Без управляющей электроники уже не может обойтись ни одна отрасль промышленности, особенно электронное машиностроение, где необходимо управление множеством технологических параметров при высочайшей точности и жестких требованиях к соблюдению технологии.

Перед началом проекта необходимо:

  • внимательно изучить и продумать все возможные варианты применения САУ в данной конструкции и выбрать оптимальный из этих вариантов, как по цене, так и по сложности изготовления и эксплуатации;
  • обеспечить проектируемое оборудование более высоким сроком службы, то есть, чтобы его физическое и моральное старение настало как можно позже.






Характеристики курсовой работы

Список файлов

Установка вакуумного прессования многослойных печатных плат (МПП)
Лист (1).cdw
Лист (1).jpg
Лист (2).cdw
Лист (2).jpg
Лист (3).cdw
Лист (3).jpg
Лист (4).cdw
Лист (4).jpg
Лист (5).pdf
Презентация.ppt
Прочти меня.txt
САУ.docx
Таблица сигналов.cdw
Таблица сигналов.jpg
Картинка-подпись
Зарабатывай на студизбе! Просто выкладывай то, что так и так делаешь для своей учёбы: ДЗ, шпаргалки, решённые задачи и всё, что тебе пригодилось.
Начать зарабатывать

Комментарии

Нет комментариев
Стань первым, кто что-нибудь напишет!
Поделитесь ссылкой:
Цена: 1 200 руб.
Расширенная гарантия +3 недели гарантии, +10% цены
Рейтинг автора
4,78 из 5
Поделитесь ссылкой:
Сопутствующие материалы

Подобрали для Вас услуги

-20%
-50%
Вы можете использовать курсовую работу для примера, а также можете ссылаться на неё в своей работе. Авторство принадлежит автору работы, поэтому запрещено копировать текст из этой работы для любой публикации, в том числе в свою курсовую работу в учебном заведении, без правильно оформленной ссылки. Читайте как правильно публиковать ссылки в своей работе.
Свежие статьи
Популярно сейчас
А знаете ли Вы, что из года в год задания практически не меняются? Математика, преподаваемая в учебных заведениях, никак не менялась минимум 30 лет. Найдите нужный учебный материал на СтудИзбе!
Ответы на популярные вопросы
Да! Наши авторы собирают и выкладывают те работы, которые сдаются в Вашем учебном заведении ежегодно и уже проверены преподавателями.
Да! У нас любой человек может выложить любую учебную работу и зарабатывать на её продажах! Но каждый учебный материал публикуется только после тщательной проверки администрацией.
Вернём деньги! А если быть более точными, то автору даётся немного времени на исправление, а если не исправит или выйдет время, то вернём деньги в полном объёме!
Да! На равне с готовыми студенческими работами у нас продаются услуги. Цены на услуги видны сразу, то есть Вам нужно только указать параметры и сразу можно оплачивать.
Отзывы студентов
Ставлю 10/10
Все нравится, очень удобный сайт, помогает в учебе. Кроме этого, можно заработать самому, выставляя готовые учебные материалы на продажу здесь. Рейтинги и отзывы на преподавателей очень помогают сориентироваться в начале нового семестра. Спасибо за такую функцию. Ставлю максимальную оценку.
Лучшая платформа для успешной сдачи сессии
Познакомился со СтудИзбой благодаря своему другу, очень нравится интерфейс, количество доступных файлов, цена, в общем, все прекрасно. Даже сам продаю какие-то свои работы.
Студизба ван лав ❤
Очень офигенный сайт для студентов. Много полезных учебных материалов. Пользуюсь студизбой с октября 2021 года. Серьёзных нареканий нет. Хотелось бы, что бы ввели подписочную модель и сделали материалы дешевле 300 рублей в рамках подписки бесплатными.
Отличный сайт
Лично меня всё устраивает - и покупка, и продажа; и цены, и возможность предпросмотра куска файла, и обилие бесплатных файлов (в подборках по авторам, читай, ВУЗам и факультетам). Есть определённые баги, но всё решаемо, да и администраторы реагируют в течение суток.
Маленький отзыв о большом помощнике!
Студизба спасает в те моменты, когда сроки горят, а работ накопилось достаточно. Довольно удобный сайт с простой навигацией и огромным количеством материалов.
Студ. Изба как крупнейший сборник работ для студентов
Тут дофига бывает всего полезного. Печально, что бывают предметы по которым даже одного бесплатного решения нет, но это скорее вопрос к студентам. В остальном всё здорово.
Спасательный островок
Если уже не успеваешь разобраться или застрял на каком-то задание поможет тебе быстро и недорого решить твою проблему.
Всё и так отлично
Всё очень удобно. Особенно круто, что есть система бонусов и можно выводить остатки денег. Очень много качественных бесплатных файлов.
Отзыв о системе "Студизба"
Отличная платформа для распространения работ, востребованных студентами. Хорошо налаженная и качественная работа сайта, огромная база заданий и аудитория.
Отличный помощник
Отличный сайт с кучей полезных файлов, позволяющий найти много методичек / учебников / отзывов о вузах и преподователях.
Отлично помогает студентам в любой момент для решения трудных и незамедлительных задач
Хотелось бы больше конкретной информации о преподавателях. А так в принципе хороший сайт, всегда им пользуюсь и ни разу не было желания прекратить. Хороший сайт для помощи студентам, удобный и приятный интерфейс. Из недостатков можно выделить только отсутствия небольшого количества файлов.
Спасибо за шикарный сайт
Великолепный сайт на котором студент за не большие деньги может найти помощь с дз, проектами курсовыми, лабораторными, а также узнать отзывы на преподавателей и бесплатно скачать пособия.
Популярные преподаватели
Добавляйте материалы
и зарабатывайте!
Продажи идут автоматически
6934
Авторов
на СтудИзбе
265
Средний доход
с одного платного файла
Обучение Подробнее
{user_main_secret_data}