Курсовая работа: Установка лазерной обработки печатных плат

Описание

Готовая курсовая работа, которая была защищена в 2011-м году

Основы проектирования систем автоматического управления оборудования электронных технологий »


на тему: «Установка лазерной обработки печатных плат»




Расчётно-пояснительная записка




Москва, 2011г

Техническое задание


на курсовой проект по курсу «Основы проектирования систем автоматического управления оборудования электронных технологий»


Тема проекта: Установка лазерной обработки печатных плат


1. Проработать описание работы машины, выбрать и обосновать состав его основных целевых функций, сервисных функций, функций коррекции цели.

2. Разработать комплексную принципиальную схему, как совокупность системы целевых механизмов, системы их энергообеспечения и системы управления, связанных материальными, энергетическими и информационными потоками.

3. Описать механический, энергетический и информационный интерфейс компонентов машины. Дать техническое задание и техническое предложение на САУ и основные элементы машины.

4. Разработать принципиальную электрическую схему элемента САУ или САУ в целом.


Содержание графической части.

  1. Процессная модель………………………………..................1 л.
  2. Комплексная принципиальная схема......................................2 л.
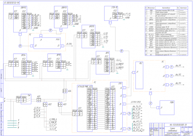
  3. Схема соединений…...............................1 л.


Содержание расчетно-пояснительной записки.

  1. Введение. Описание целевого, механического и энергетического интерфейса спроектированной технологической машины.
  2. Описание процессной модели. Выбор и обоснование целевых, сервисных функций, и функций коррекции цели.
  3. Техническое задание и техническое предложение на систему управления машины по приведенной в Приложении 1 форме.
  4. Описание комплексной принципиальной схемы ФС. Обоснование структурно-компоновочного решения, выбор и согласование уровней потоков элементов.
  5. Документы, сопровождающие комплексную принципиальную схему:
  6. перечень элементов ПЭ;
  7. перечень потоков и сигналов ПС;
  8. технические задания на основные подсистемы и узлы машины ТЗ.
  9. Информационный поиск датчиков и исполнительных элементов машины и ее САУ, описание целевого, механического, энергетического и информационного интерфейса этих элементов ОЭ.
  10. Расчет и описание принципиальной электрической схемы.
  11. Заключение.









Реферат


к курсовому проекту по курсу «Основы проектирования систем автоматического управления оборудования электронных технологий»


50 страниц, 38 рисунков, 26 таблиц


Целью настоящего курсового проектирования является овладение навыками, методами и средствами разработок компонентов оборудования системы автоматического управления (САУ) разрабатываемой установки, а также правилами и методами составления технического задания на программное обеспечение САУ.


Основными задачами проектирования являются:


  • Определение основных функций машины и обоснованное распределение их исполнения между различными компонентами САУ;
  • Постановка технических заданий перед разработчиками отдельных компонентов САУ;
  • Выполнение технической документации на электронные компоненты САУ.


В ходе курсового проектирования была разработана САУ установкой лазерной обработки основных материалов печатных плат на жёстком диэлектрическом основании. Были выполнены следующие задачи:


  • Процессная модель (ПМ) - алгоритм работы системы управления установкой;
  • Комплексная принципиальная схема (КПС) (или функциональная схема, ФС) установки, включающая разработку КПС исполнительной части установки, а также КПС систем энергообеспечения и управления; схема соединений; внешний вид экран монитора человеко-машинного интерфейса установки;
  • Принципиальная электрическая схема (ЭЗ). Соединение всех основных элементов САУ; техническая документация на элементы САУ.


Графические работы в объеме четырёх листов формата A1 выполнены с использованием программы АСКОН КОМПАС V12. В расчетно-пояснительной записке приведены необходимые пояснения, описания и отражены принципы построения САУ установки. Пояснительная записка к курсовому проекту выполнена в программе Microsoft Word 2007. Записка содержит следующие разделы: введение, четыре основных главы, заключение, список использованных источников из трёх пунктов и 17 пунктов, а также приложение с таблицей, содержащей техническое предложение на САУ установки.







Содержание


Реферат. 3

Содержание. 4

Введение. 6

Роль автоматизации в современном производстве. 6

Реализуемая на разрабатываемой установке технология. 6

Краткое описание машины.. 7

1.Процессная модель проектируемого оборудования. 8

1.1 Описание процессной модели. 8

1.2 Деление технологического процесса на подпроцессы.. 9

1.3 Выбор функций системы.. 11

2.Комплексная принципиальная схема оборудования. 12

2.1 Описание основных блоков установки. 12

2.2 Программа управления работой установки. 15

2.3 Перечень информационных сигналов. 16

3. Техническое задание на основные подсистемы и узлы.. 18

3.1 Система формирования лазерного излучения. 18

3.1.1 Источник излучения. 18

3.1.2 Дефлекторная субсистема. 19

3.1.3 Оптический затвор. 20

3.1.4 Юстировочный лазер. 21

3.1.5 Зеркала поворотные. 23

3.2. Система позиционирования. 23

3.2.1 Интегрированный сервопривод. 23

3.2.2 Концевой датчик. 26

3.3 Система охлаждения. Чиллер DMC-30. 27

3.5 Вытяжка воздуха и прижатие заготовки. 29

3.5.1 Блок дымоудаления и фильтрации. 29

3.5.2 Клапан запорный электромагнитный. 30

3.5.3 Воздуховод гибкий. 31

3.6 Система безопасности. 32

3.6.1 Автоматический выключатель. 32

3.6.2 Кнопка включения/аварийный стоп. 32

3.6.3 Выключатель блокировки двери защитного ограждения. 34

4. Техническое задание на элементы САУ.. 35

4.1 Защищенный сенсорный герметичный монитор. 35

4.2 Рабочая станция АСУ IPC-2U-SYS9-A7. 36

4.3 Процессорная плата MB950. 37

4.4 Плата дискретного вввода-вывода PCI-1737U.. 38

4.5 Контрольная карта для лазерных систем RLC-PCI. 39

4.6 Клеммная плата для внешних устройств STB-10. 40

4.7 Плата терминальная с опторазвязкой DIB913 (TBI-0/24C) 41

4.8 Плата терминальная с опторазвязкой DIB912 (TBI-24/0C) 41

4.9 Блоки питания. 42

4.9.1 Блок питания ПК ATX-400PNR.. 42

4.9.2 Блок питания БПС-5-2. 43

4.9.3 Блок питания БП10-23. 44

4.9.4 Блок питания S-350-15. 45

4.9.5 Блок питания S-350-24. 46

4.9.6 Расчёт потребителей энергии. 46

4.10 Вспомогательные элементы.. 47

Заключение. 49

Список использованных источников. 50









































Введение

Роль автоматизации в современном производстве


Промышленная автоматизация — это комплекс средств, применение которых позволяет человеку контролировать производственный процесс, не участвуя в нем непосредственно. На современных предприятиях автоматизация производства осуществляется с целью сократить численность персонала, который занят обслуживанием производственного оборудования, повысить надежность оборудования, увеличить производительность, улучшить условия труда и сделать производство более безопасным. Автоматизация технологических процессов поднимает качество производства на уровень, который практически недостижим для отдельного человека. Благодаря комплексной автоматизации производственных процессов производительность повышается за счет того, что получение и использование данных в целях управления и контроля осуществляется автоматически. Таким образом, автоматизация технологических процессов позволяет добиться существенного увеличения выпуска продукции, снизить ее себестоимость и при этом добиться повышения качества.

Сегодня уже трудно представить себе крупное предприятие, у которого в наличии отсутствуют хотя бы простые станки с ЧПУ. Конечно же, как и любое научно-техническое направления, автоматизация не стоит на месте, и от простейших средств механизации труда, относящихся к ранним ступеням эволюции систем автоматизации, человек уже давно перешёл к использованию сложнейших систем на основе централизованного управления посредством запрограммированных промышленных контроллеров.

Вопрос автоматического управления процессами наиболее остро встаёт и когда речь заходит о производстве высокоточных, ответственных изделий современной микроэлектроники и сопутствующих направлений производства электротехнических компонентов.

Реализуемая на разрабатываемой установке технология


Традиционная технология изготовления печатных плат (ПП), как любое крупное производство, динамически развивается и постоянно сталкивается с вопросами оптимизации, чаще всего диктуемыми производителями электронных компонентов. К таким проблемам можно отнести:


  • Постоянное увеличение плотности расположения элементов на плате из-за их планомерной миниатюризации;
  • Ужесточение требований по проводящему рисунку, в том числе и как следствие уплотнения элементов (кроме того, надо иметь ввиду, что современная технология почти достигла предела по разрешению рисунка);
  • Усложнение структуры самих компонентов, а значит и необходимость поиска новых решений по предоставлению надёжного электрического соединения, снижению риска механических повреждений и обеспечению требуемого отвода тепла при нагреве.
  • Традиционное производство печатных плат сопряжено с химическими методами обработки, поэтому его принято считать грязным.
  • Вопросы сложности и дороговизны ремонта, проведения контроля, сопряжения различных методов обработки и утилизации отходов.


Что касается операции структурирования в технологическом процессе изготовления многослойной печатной платы (МПП), то она является неотъемлемой частью производства таковой. И от качества его выполнения в значительной степени зависит качество выходящей продукции в целом. В этом ключе поиск новых методов

Характеристики курсовой работы

Список файлов

Установка лазерной обработки печатных плат
Материалы
Безопасность
A120-E2-03A-X+A165E+Datasheet.pdf
Защитный ключ для двери.pdf
Кнопка.jpg
Ссылкит.txt
Блоки питания
Ссылки.txt
блок питания S-350.pdf
паспорт_БП10.pdf
Вытяжка
EpilogDealerPriceLis198401.pdf
TEKA-Printers.pdf
Ссылки.txt
Лазерная система
2_raylase_superscan_ru.pdf
AVIA_355-23_DS_final.pdf
Avia_266_Preinstallation.pdf
XY2-100 протокол для сканатора.pdf
klm-a635-x-5.pdf
ls2-3-6_10_16_08.pdf
Сканатор.gif
Механика
I - руководство пользователя - уменьшенного размера.pdf
d5a_dsheet_csm591.pdf
Полный буклет СПШ rus.pdf
Работа ШД в станке с ЧПУ.txt
СПШ.Габариты.jpg
СПШ.Хар-ки.jpg
Расходники
Картинка-подпись
Зарабатывай на студизбе! Просто выкладывай то, что так и так делаешь для своей учёбы: ДЗ, шпаргалки, решённые задачи и всё, что тебе пригодилось.
Начать зарабатывать

Комментарии

Нет комментариев
Стань первым, кто что-нибудь напишет!
Поделитесь ссылкой:
Цена: 1 200 руб.
Расширенная гарантия +3 недели гарантии, +10% цены
Рейтинг автора
4,79 из 5
Поделитесь ссылкой:
Сопутствующие материалы

Подобрали для Вас услуги

-26%
-25%
-29%
3d-моделирование
7 000 4 999 руб.
Вы можете использовать курсовую работу для примера, а также можете ссылаться на неё в своей работе. Авторство принадлежит автору работы, поэтому запрещено копировать текст из этой работы для любой публикации, в том числе в свою курсовую работу в учебном заведении, без правильно оформленной ссылки. Читайте как правильно публиковать ссылки в своей работе.
Свежие статьи
Популярно сейчас
Зачем заказывать выполнение своего задания, если оно уже было выполнено много много раз? Его можно просто купить или даже скачать бесплатно на СтудИзбе. Найдите нужный учебный материал у нас!
Ответы на популярные вопросы
Да! Наши авторы собирают и выкладывают те работы, которые сдаются в Вашем учебном заведении ежегодно и уже проверены преподавателями.
Да! У нас любой человек может выложить любую учебную работу и зарабатывать на её продажах! Но каждый учебный материал публикуется только после тщательной проверки администрацией.
Вернём деньги! А если быть более точными, то автору даётся немного времени на исправление, а если не исправит или выйдет время, то вернём деньги в полном объёме!
Да! На равне с готовыми студенческими работами у нас продаются услуги. Цены на услуги видны сразу, то есть Вам нужно только указать параметры и сразу можно оплачивать.
Отзывы студентов
Ставлю 10/10
Все нравится, очень удобный сайт, помогает в учебе. Кроме этого, можно заработать самому, выставляя готовые учебные материалы на продажу здесь. Рейтинги и отзывы на преподавателей очень помогают сориентироваться в начале нового семестра. Спасибо за такую функцию. Ставлю максимальную оценку.
Лучшая платформа для успешной сдачи сессии
Познакомился со СтудИзбой благодаря своему другу, очень нравится интерфейс, количество доступных файлов, цена, в общем, все прекрасно. Даже сам продаю какие-то свои работы.
Студизба ван лав ❤
Очень офигенный сайт для студентов. Много полезных учебных материалов. Пользуюсь студизбой с октября 2021 года. Серьёзных нареканий нет. Хотелось бы, что бы ввели подписочную модель и сделали материалы дешевле 300 рублей в рамках подписки бесплатными.
Отличный сайт
Лично меня всё устраивает - и покупка, и продажа; и цены, и возможность предпросмотра куска файла, и обилие бесплатных файлов (в подборках по авторам, читай, ВУЗам и факультетам). Есть определённые баги, но всё решаемо, да и администраторы реагируют в течение суток.
Маленький отзыв о большом помощнике!
Студизба спасает в те моменты, когда сроки горят, а работ накопилось достаточно. Довольно удобный сайт с простой навигацией и огромным количеством материалов.
Студ. Изба как крупнейший сборник работ для студентов
Тут дофига бывает всего полезного. Печально, что бывают предметы по которым даже одного бесплатного решения нет, но это скорее вопрос к студентам. В остальном всё здорово.
Спасательный островок
Если уже не успеваешь разобраться или застрял на каком-то задание поможет тебе быстро и недорого решить твою проблему.
Всё и так отлично
Всё очень удобно. Особенно круто, что есть система бонусов и можно выводить остатки денег. Очень много качественных бесплатных файлов.
Отзыв о системе "Студизба"
Отличная платформа для распространения работ, востребованных студентами. Хорошо налаженная и качественная работа сайта, огромная база заданий и аудитория.
Отличный помощник
Отличный сайт с кучей полезных файлов, позволяющий найти много методичек / учебников / отзывов о вузах и преподователях.
Отлично помогает студентам в любой момент для решения трудных и незамедлительных задач
Хотелось бы больше конкретной информации о преподавателях. А так в принципе хороший сайт, всегда им пользуюсь и ни разу не было желания прекратить. Хороший сайт для помощи студентам, удобный и приятный интерфейс. Из недостатков можно выделить только отсутствия небольшого количества файлов.
Спасибо за шикарный сайт
Великолепный сайт на котором студент за не большие деньги может найти помощь с дз, проектами курсовыми, лабораторными, а также узнать отзывы на преподавателей и бесплатно скачать пособия.
Популярные преподаватели
Добавляйте материалы
и зарабатывайте!
Продажи идут автоматически
7165
Авторов
на СтудИзбе
252
Средний доход
с одного платного файла
Обучение Подробнее